Curiosii for ever!: Car repair manuals for everyone.

EGR Valve: Service and Repair




REMOVAL PROCEDURE
1. Turn OFF the ignition.
2. Disconnect the electrical connector from the EGR valve.
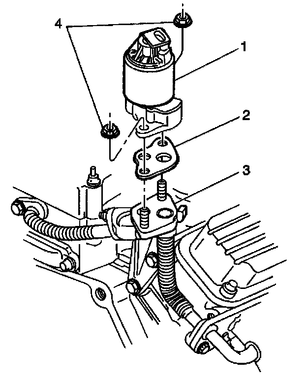
3. Remove the EGR valve retaining nuts (4).
4. Remove the EGR valve (1).
5. Remove the gasket (2) from the EGR valve adapter (3).

INSTALLATION PROCEDURE
1. Install a new gasket (2) on the EGR adapter (3).

NOTE: Refer to Fastener Notice in Service Precautions.

2. Install the EGR valve (1) and the retaining nuts (4).

Tighten
Tighten the nuts to 30 N.m (22 lb ft).

3. Connect the EGR valve electrical connector.