Curiosii for ever!: Car repair manuals for everyone.

Rear Door Window Regulator: Service and Repair




Rear Side Door Window Regulator Replacement

Removal Procedure

1. Remove the rear door water deflector. Refer to Rear Side Door Water Deflector Replacement (Service and Repair).
2. Remove the rear door window. Refer to Front Side Door Window Replacement (Service and Repair).




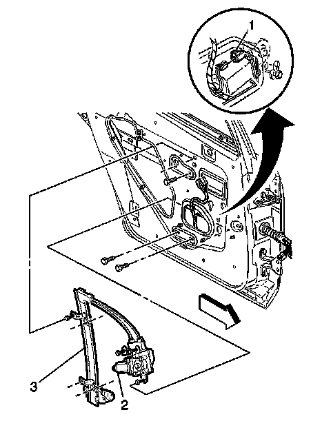
3. Remove the rear door window regulator rail lower mounting screws.
Important: The window regulator screws are seated into key slots in the inner door panel and is unnecessary to remove the screws completely from the window regulator.


Loosen the rear door window regulator mounting screws.
4. Lower the rear door window regulator motor into the rear door to gain access to the electrical connector.
5. Disconnect the rear door window regulator motor electrical connector.
6. Remove the rear door window regulator from the rear door.

Installation Procedure




1. Position the rear door window regulator into the rear door.
2. Connect the rear door window regulator motor electrical connector.
3. Position the rear door window regulator motor inside the rear door and install it into the key slots in the inner door panel.
4. Position the rear door window regulator rail assembly inside the rear door and install it into the key slots in the inner door panel.

Notice: Refer to Fastener Notice in Cautions and Notices.

5. Install the rear door window regulator rail lower mounting screws.

Tighten the screws to 10 Nm (89 lb in).

Important: In order to ensure proper orientation of the window regulator to the door, tighten the remaining window regulator screws in the specified sequence; lower rear, upper rear, lower front, upper front.


6. Hand tighten the remaining rear door window regulator screws.

Tighten the screws to 10 Nm (89 lb in).

7. Install the rear door window. Refer to Rear Side Door Window Replacement (Service and Repair).
8. Install the rear door water deflector. Refer to Rear Side Door Water Deflector Replacement (Service and Repair).