Curiosii for ever!: Car repair manuals for everyone.

Front Door Window Regulator: Service and Repair




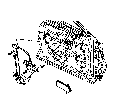
Front Side Door Window Regulator Replacement

Removal Procedure

1. Remove the front door water deflector. Refer to Front Side Door Water Deflector Replacement Service and Repair.
2. Remove the front door window. Refer to Front Side Door Window Replacement (Service and Repair).
3. Remove the arm rest bracket. Refer to Armrest Replacement (Armrest Replacement).





Important: The window regulator screws are seated into key slots in the inner door panel and is unnecessary to remove the screws completely from the window regulator.


4. Loosen the front door window regulator mounting screws.
5. Remove the front door window regulator rail left lower mounting screw.
6. Lower the front door window regulator motor into the front door to gain access to the electrical connector.
7. Disconnect the front door window regulator motor electrical connector.
8. Remove the front door window regulator from the front door.

Installation Procedure




1. Position the front door window regulator into the front door.
2. Connect the front door window regulator motor electrical connector.
3. Position the front door window regulator motor inside the front door and install it into the key slots in the inner door panel.
4. Position the front door window regulator rail assembly into the key slots in the inner door panel.

Notice: Refer to Fastener Notice in Cautions and Notices.

5. Install the front door window regulator rail left lower mounting screw.

Tighten the screw to 10 Nm (89 lb in).

Important: In order to ensure proper orientation of the window regulator to the door, tighten the remaining window regulator screws in the specified sequence; lower rear, upper rear, lower front, upper front.


6. Hand tighten the remaining front door window regulator screws.

Tighten the screws to 10 Nm (89 lb in).

7. Install the front door window. Refer to Front Side Door Window Replacement (Service and Repair).
8. Install the arm rest bracket. Refer to Armrest Replacement (Armrest Replacement).
9. Install the front door water deflector. Refer to Front Side Door Water Deflector Replacement Service and Repair