Curiosii for ever!: Car repair manuals for everyone.

Positive Crankcase Ventilation: Service and Repair




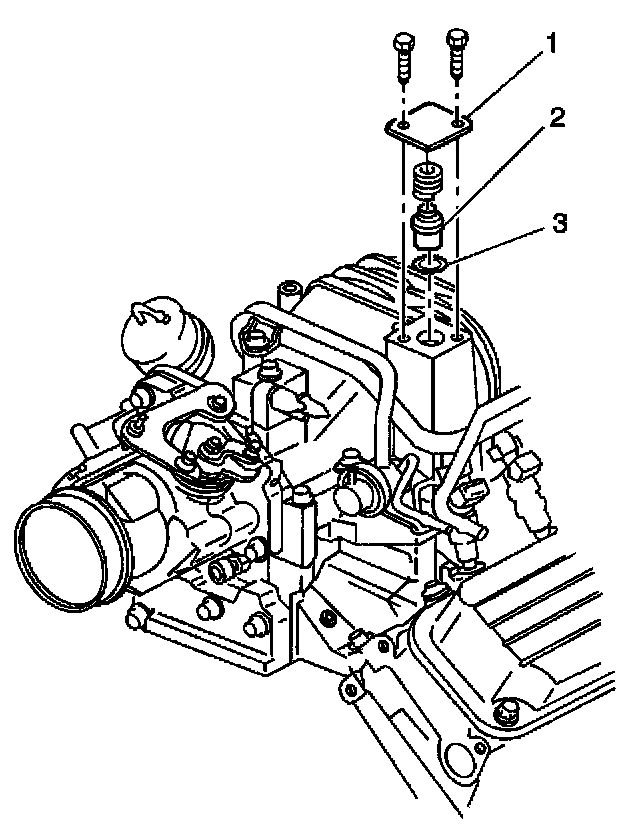
REMOVAL PROCEDURE
1. While holding down the crankcase ventilation valve access cover (1), remove the 2 access cover retaining bolts.
2. Remove the crankcase ventilation valve access cover (1).
3. Remove the crankcase ventilation valve (2), spring, and O-ring (3).

INSTALLATION PROCEDURE
1. Install the crankcase ventilation valve (2), spring, and new O-ring (3).
2. Reinstall the crankcase ventilation valve access cover (1).
3. While holding down the crankcase ventilation valve access cover, install the access cover retaining bolts.