Curiosii for ever!: Car repair manuals for everyone.

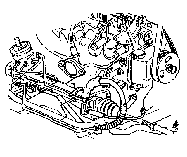
P/S Return Line Replacement

Removal Procedure
1. Remove the accessory drive belt. Refer to Drive Belt Replacement (L36) or Drive Belt Replacement (L67) in Engine.
2. Raise and support the vehicle. Refer to Vehicle Lifting.
3. Place a drain pan under the vehicle in order to catch any draining power steering fluid.
4. Remove the tire and wheel assembly. Refer to Tire and Wheel Removal and Installation in Wheels, Tires and Alignment.





5. Remove the power steering return hose from the power steering gear cooler pipe.





6. Remove the power steering return hose from the power steering pump.
7. Remove the power steering return hose from the power steering hose retainer.
8. Remove the power steering return hose from the vehicle.

Installation Procedure





1. Install the power steering return hose to the power steering hose retainer.
2. Install the power steering return hose to the power steering pump.





3. Install the power steering return hose to the power steering gear cooler pipe.
4. Install the tire and wheel assembly. Refer to Tire and Wheel Removal and Installation in Wheels, Tires and Alignment.
5. Remove the drain pan from under the vehicle.
6. Lower the vehicle.
7. Install the accessory drive belt. Refer to Drive Belt Replacement (L36) or Drive Belt Replacement (L67) in Engine.
8. Fill the power steering fluid reservoir. Refer to Refilling the Power Steering System.
9. Bleed the power steering system. Refer to Bleeding the Power Steering System.
10. Inspect the power steering system for leaks. Refer to Steering and Suspension Leaks