Curiosii for ever!: Car repair manuals for everyone.

Air Bag Control Module: Service and Repair

CAUTION: Be careful when you handle a sensing and diagnostic module (SDM). Do not strike or jolt the SDM. Before applying power to the SDM:
^ Remove any dirt, grease, etc. from the mounting surface
^ Position the SDM horizontally on the mounting surface
^ Point the arrow on the SDM toward the front of the vehicle
^ Tighten all of the SDM fasteners and SDM bracket fasteners to the specified torque value

Failure to follow the correct procedure could cause air bag deployment, personal injury, or unnecessary SIR system repairs.

CAUTION: If any water enters the vehicle's interior up to the level of the carpet or higher and soaks the carpet, the sensing and diagnostic module (SDM) and the SDM harness connector may need to be replaced. The SDM could be activated when powered, which could cause deployment of the air bag(s) and result in personal Injury. Before attempting these procedures, the SIR system must be disabled. Refer to Disabling the SIR System.

With the Ignition OFF, inspect the SDM mounting area, including the carpet. If any significant soaking or evidence of significant soaking is detected, you must perform the following tasks:
1. Remove all water.
2. Repair the water damage.
3. Replace the SDM harness connector.
4. Replace the SDM.

Failure to follow these tasks could result in possible air bag deployment, personal injury, or otherwise unneeded SIR system repairs.


REMOVAL PROCEDURE




1. Disable the SIR system. Refer to Disabling the SIR System.
2. Remove the front split bench seat.
3. Remove or lift up the carpet from the vehicle.




4. Remove the Connector Position Assurance (CPA) (1) from the inflatable restraint sensing and diagnostic module (SDM) wiring harness connector (2).
5. Push down the flex lock button (3) and then move the sliding connector locking cover (4) to the open position.




6. Remove the push-on clip (1) that secures the SDM wiring harness to the console stud.
7. Disconnect the SDM wiring harness connector (3) from the SDM (2).




8. Remove the SDM mounting fasteners (1).
9. Remove the SDM (2) from the console floor (3).

INSTALLATION PROCEDURE




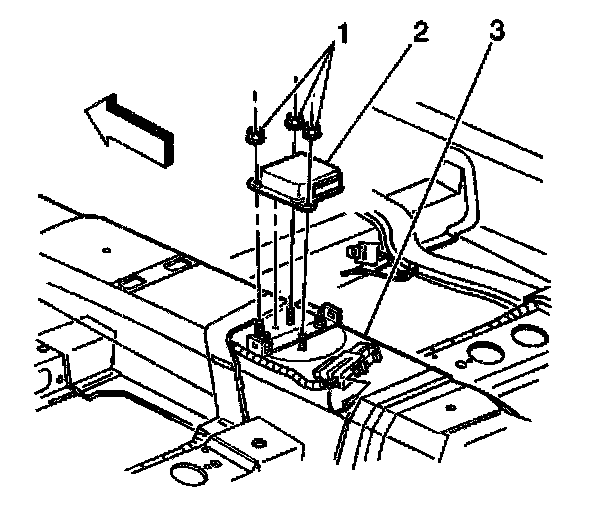
1. Install the SDM (2) to the console floor (3).

NOTE: Refer to Fastener Notice in Cautions and Notices.

2. Install the SDM mounting fasteners (1).

Tighten
Tighten fasteners to 9 N.m (80 lb in).




3. Connect the SDM wiring harness connector (3) to the SDM (2).
4. Install the push-on clip (1) in order to secure the SDM wiring harness to the console stud.




5. Push down the flex lock button (3) and then move the sliding connector locking cover (4) to the close position.
6. Install the Connector Position Assurance (CPA) (1) to the inflatable restraint sensing and diagnostic module (SDM) wiring harness connector (2).




7. Install the carpet into the vehicle.
8. Install the front split bench seat.
9. Enable the SIR system. Refer to Enabling the SIR System.