Curiosii for ever!
: Car repair manuals for everyone.
Home
>>
Buick
>>
2000
>>
Park Avenue V6-3.8L VIN K
>>
Repair and Diagnosis
>>
Powertrain Management
>>
Computers and Control Systems
>>
Relays and Modules - Computers and Control Systems
>>
Body Control Module
>>
Diagrams
>>
Electrical Diagrams
>>
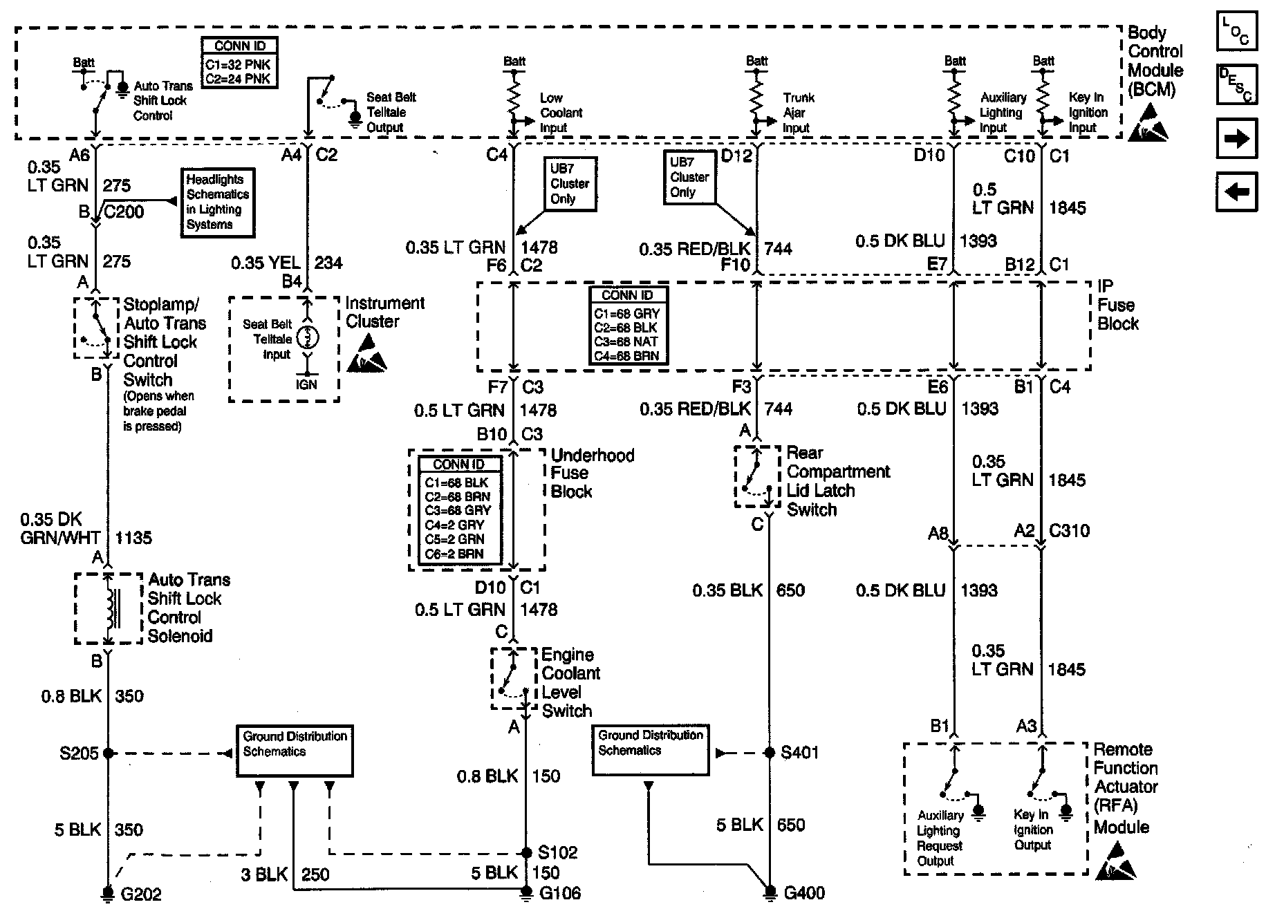
Inputs and Outputs (1 Of 3)
Inputs and Outputs (1 Of 3)
Body Control Module Schematics: Inputs and Outputs (1 Of 3):