Curiosii for ever!: Car repair manuals for everyone.

Air Flow Meter/Sensor: Service and Repair




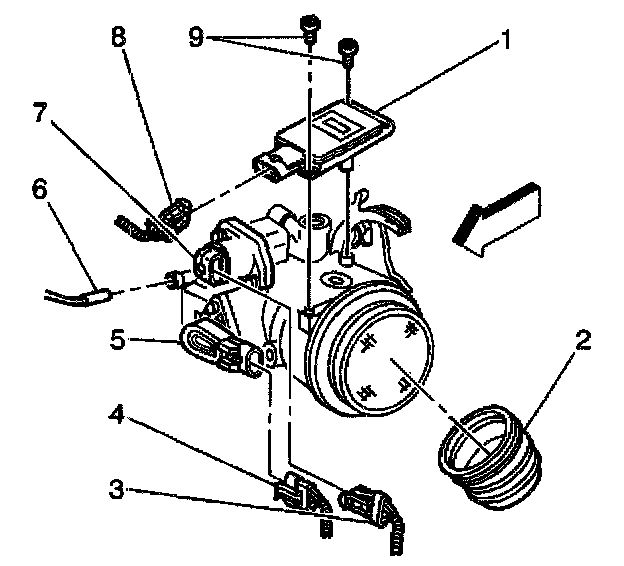
REMOVAL PROCEDURE
1. Turn OFF the ignition.
2. Remove the fuel injection sight shield.

IMPORTANT: The MAF sensor on this engine is attached to the throttle body assembly.

3. Disconnect the MAF sensor electrical connector (8) from the MAF sensor (1).
4. Remove the screws (9) holding MAF sensor to throttle body.
5. Remove the MAF sensor (1) from the throttle body.

INSTALLATION PROCEDURE
1. Install the MAF sensor (1) to the throttle body.

NOTE: Refer to Fastener Notice in Service Precautions.

2. Install the screws (9) holding MAF sensor to throttle body.

Tighten
Tighten the screws to 3 N.m (27 lb in).

3. Connect the MAF sensor electrical connector (8) to the MAF sensor (1).
4. Install the fuel injection sight shield.