Electronic Brake Control Module: Service and Repair
Removal Procedure1. Turn OFF the ignition.
2. Raise the vehicle. Refer to Vehicle Lifting.
3. Remove the left front wheel. Refer to Tire and Wheel Removal and Installations.
4. Remove the left front fascia extension. Refer to Wheelhouse Filler Replacement in Body Front End.
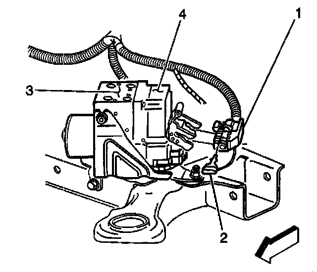
5. Rotate the EBCM connector tab up to the unlocked position.
6. Remove the EBCM connector position assurance (2) from the EBCM electrical connector (1).
Notice: To prevent equipment damage, never connect or disconnect the wiring harness connection from the EBCM with the ignition switch in the ON position.
7. Remove the EBCM electrical connector (1) from the EBCM (4).
8. Remove the BPMV electrical connector (2) from the EBCM (3).
9. Remove the 6 EBCM to BPMV screws (2).
10. Clean the surface of the EBCM/BPMV assembly.
Important: The EBCM cannot be repaired. If faulty, the unit must be replaced.
11. Separate the EBCM (2) from the BPMV(1).
Installation Procedure
1. Clean the seal surface of the BPMV.
2. Install the EBCM (2) to the BPMV(1).
Notice: Refer to Fastener Notice in Service Precautions.
3. Install the 6 EBCM to BPMV screws (2).
^ Tighten the 6 screws to 3.2 Nm (28 inch lbs.).
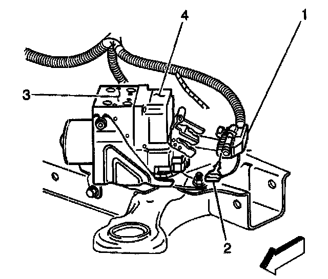
4. Install the BPMV electrical connector (2) to the EBCM (3).
Notice: To prevent equipment damage, never connect or disconnect the wiring harness connection from the EBCM with the ignition switch in the ON position.
5. Install the EBCM electrical connector (1) to the EBCM (4).
6. Install the EBCM connector position assurance (2) to the EBCM electrical connector (1).
7. Rotate the EBCM connector tab (2) down to the locked position.
8. Install the left front fascia extension. Refer to Wheelhouse Filler Replacement in Body Front End.
9. Install the left front wheel. Refer to Tire and Wheel Removal and Installations.
10. Lower the vehicle. Refer to Vehicle Lifting.
Important: An unprogrammed EBCM will result in the following conditions:
^ Inoperative or poorly functioning DRP/ABS/TCS/VSES/TIM/VES (if equipped)
^ Set DTC C1248 EBCM Turned On the Red Brake Warning Indicator
^ Set DTC C1255m3 EBCM Internal Malfunction
11. If a replacement EBCM is being installed, it must be programmed using the latest software matching the vehicle. Refer to the Techline Terminal/Equipment user's instructions.
12. Use the scan tool in order to clear the DTCs.
13. Perform the ABS Diagnostic System Check. Refer to A Diagnostic System Check - ABS. Initial Inspection and Diagnostic Overview