Curiosii for ever!
: Car repair manuals for everyone.
Home
>>
Buick
>>
2000
>>
Park Avenue Ultra V6-3.8L SC VIN 1
>>
Repair and Diagnosis
>>
Diagrams
>>
Electrical Diagrams
>>
Powertrain Management
>>
System Diagram
>>
Engine Controls
>>
Class 2 Serial Data, MIL, DLC, UART
>>
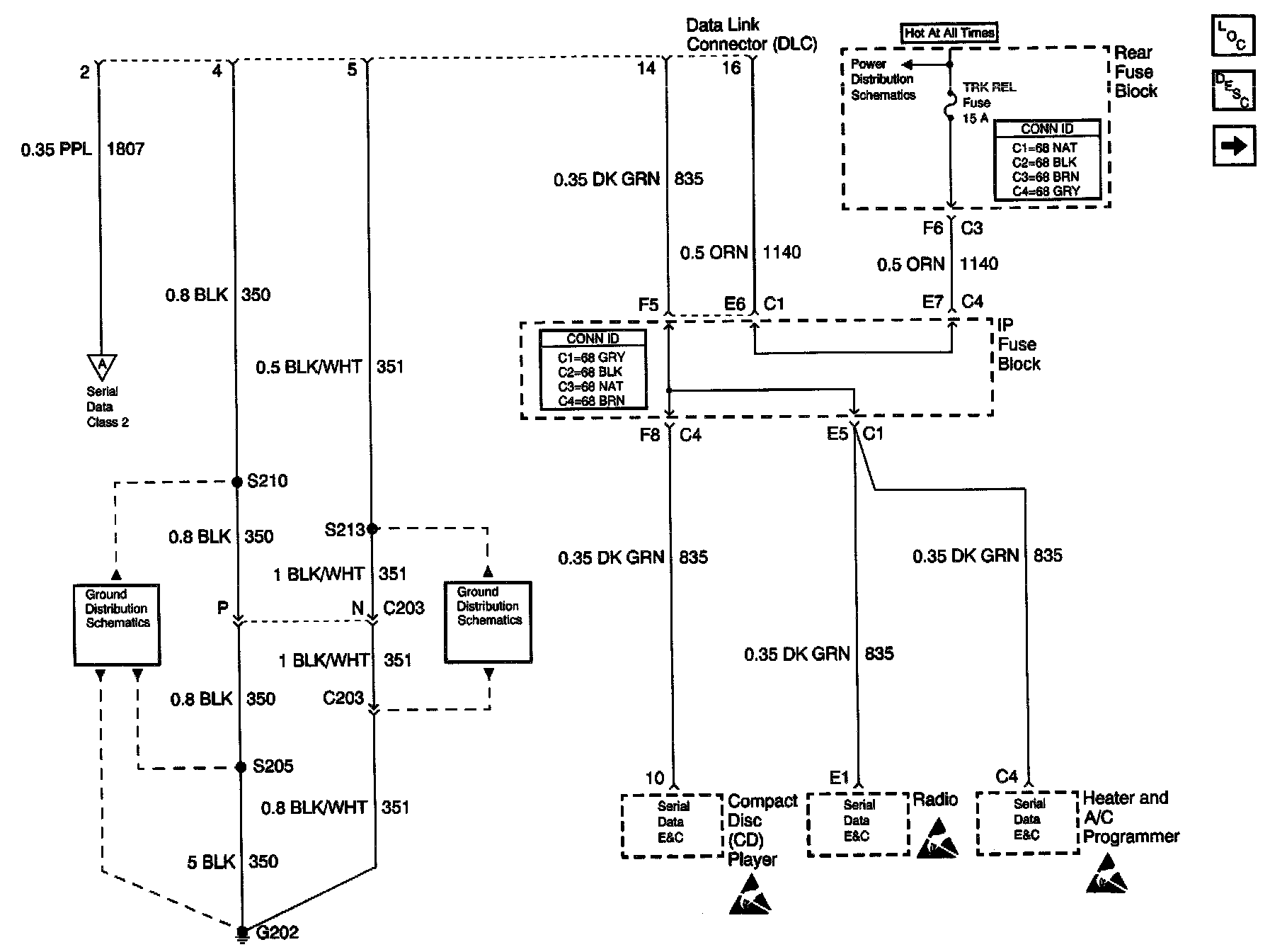
Power, Ground, and Class 2 Serial Data Circuit
Power, Ground, and Class 2 Serial Data Circuit
Data Link Connector (DLC) Schematics: Power, Ground and Serial Data Lines: