Curiosii for ever!: Car repair manuals for everyone.

Windshield Washer Switch: Service and Repair



Removal Procedure

Caution: Refer to SIR Handling Caution in Service Precautions.

Caution: Refer to Battery Disconnect Caution in Service Precautions.





1. Disconnect the negative battery cable.
2. Remove the steering wheel. Refer to Steering Wheel Replacement.
3. Remove the tilt lever. Refer to Tilt Lever Replacement - On Vehicle.
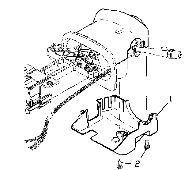
4. Remove the steering column shrouds (1). Refer to Steering Column Trim Covers - Disassemble - Off Vehicle.
Remove the left closeout panel. Refer to Closeout/Insulator Panel Replacement - Left in Instrument Panel, Gauges and Warning Indicators.





5. Remove the two Torx(R) bolts from the multifunction switch.
6. Disconnect the multifunction switch electrical connections.
7. Remove the multifunction switch.

Installation Procedure

Notice: Refer to Fastener Notice in Service Precautions.





1. Install the multifunction switch and the two Torx(R) bolts.
- Tighten the Torx(R) bolts to 7 Nm (62 inch lbs.).
2. Route the electrical harness and connect electrical connections.
3. Install the steering column shrouds. Refer to Steering Column Trim Covers - Assemble - Off Vehicle.
4. Install the left closeout panel. Refer to Closeout/Insulator Panel Replacement - Left in Instrument Panel, Gauges and Warning Indicators.
5. Install steering wheel. Refer to Steering Wheel Replacement.
6. Install tilt lever. Refer to Tilt Lever Replacement - On Vehicle.
7. Enable the SIR system. Refer to Enabling the SIR System in Restraint Systems.