Curiosii for ever!
: Car repair manuals for everyone.
Home
>>
Buick
>>
2000
>>
LeSabre V6-3.8L VIN K
>>
Repair and Diagnosis
>>
Steering and Suspension
>>
Steering
>>
Power Steering
>>
Steering Control Module
>>
Locations
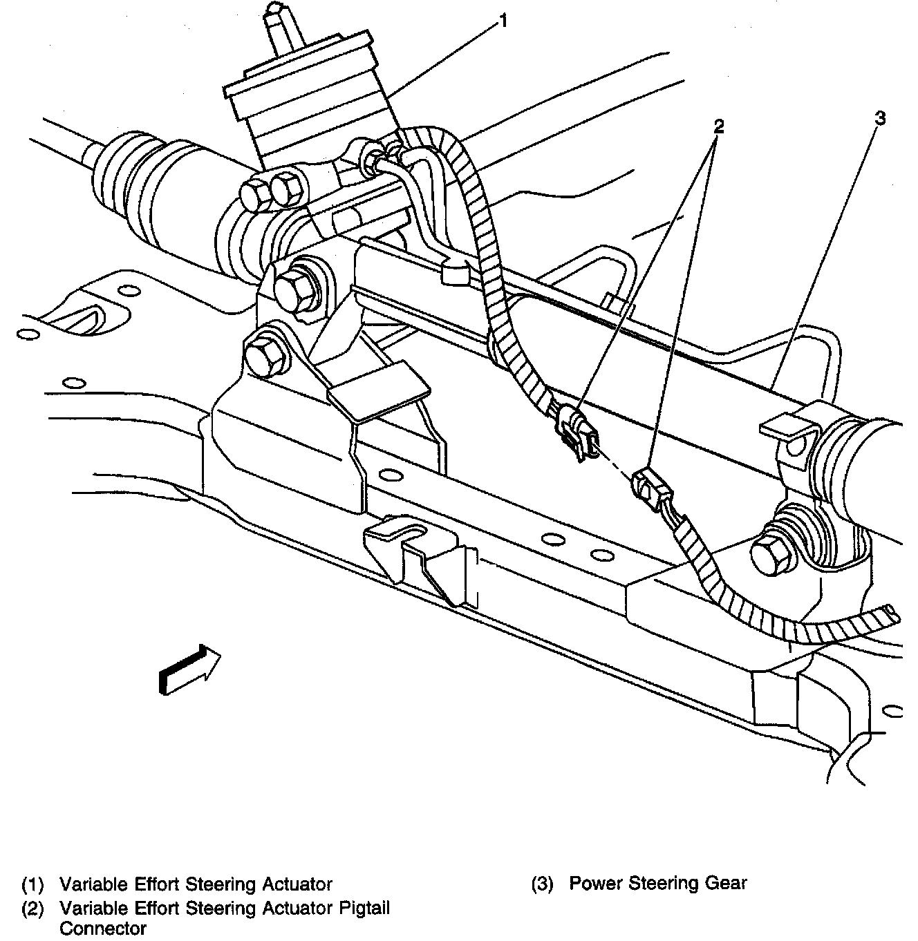
Steering Control Module: Locations
Variable Effort Steering Actuator, Rear of the Engine, on the Power Steering Gear