Curiosii for ever!: Car repair manuals for everyone.

Heater Core Replacement

REMOVAL PROCEDURE

TOOLS REQUIRED
J 38185 Spring Hose Clamp Pliers




1. Drain the cooling system. Refer to Draining and Filling Cooling System in Cooling System.
2. Remove the fuel injector sight shield.
3. Position the J 38185 in order to remove the heater hose clamps.
4. Remove the heater hoses from the heater core.
5. Remove the left side sound insulator.
6. Remove the right side sound insulator.




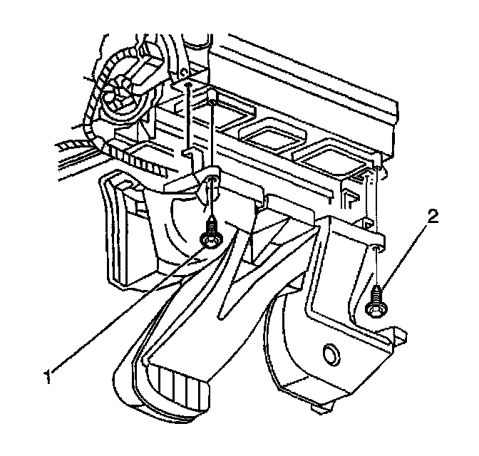
7. Remove the air distributor duct screws (1,2). Due to the difficulty in the removal of the right side screw (2), it will not be necessary to install upon reassembly.
8. Remove the air distributor duct.




9. Remove the heater core heat shield screws.
10. Remove the heater core heat shield.
11. Remove the heater core cover screws (1).
12. Remove the heater core cover.
13. Remove the retaining screw and strap from the heater core.
14. Remove the heater core.

INSTALLATION PROCEDURE

NOTE: Refer to Fastener Notice in Service Precautions.




1. Install the heater core into the HVAC module using the attaching straps and screws.

Tighten
Tighten the screw to 1.4 N.m (12 lb in).

2. Install the heater core cover.
3. Ensuring the seals at the front of dash are in the proper positions, install the heater core cover screws.

Tighten
Tighten the screws to 1.4 N.m (12 lb in).

4. Install the heater core heat shield and screws (1).

Tighten
Tighten the screws to 1.4 N.m (12 lb in).




5. Install the air distributor duct and the left screw (1).
Ensure the right tab is seated properly.

Tighten
Tighten the screw to 1.4 N.m (12 lb in).

6. Install the left side sound insulator.
7. Install the right side sound insulator.




8. Install the heater hoses and clamps using the J 38185.
9. Install the fuel injector sight shield.
10. Fill the cooling system. Refer to Draining and Filling Cooling System in Cooling System.

For a description of the RPO Code(s) shown in this article/image, refer to the RPO Code List found at Vehicle/Application ID Application and ID