Curiosii for ever!: Car repair manuals for everyone.

Boost Control System Diagnosis















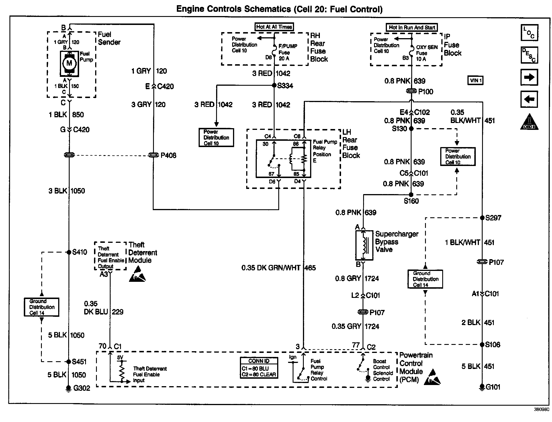
Circuit Description
Under most conditions, the PCM commands the boost control solenoid to operate at a 100% duty cycle (ON) to allow full boost pressure upon demand. However, if reverse gear is selected or the PCM detects rapid deceleration or engine load is extremely high, reduced boost pressure is desired. Under these conditions, the PCM commands the boost control solenoid to operate at a 0% duty cycle (OFF), which opens the bypass valve. With the Bypass valve open, boost pressure is reduced by recirculating intake air back through the supercharger inlet.

Diagnostic Aids
If the boost control system check has been performed and no electrical or vacuum related fault is noted, check for the following conditions:
^ Misadjusted or sticking bypass valve actuator. Refer to Bypass Valve Actuator Replacement.
^ Binding bypass valve or bypass valve linkage.

An intermittent may be caused by a poor connection, rubbed through wire insulation, or a wire broken inside the insulation. Check for the following a poor connection or damaged harness. Inspect the PCM harness connector for backed out terminals, improper mating, improperly formed or damaged terminals, poor terminal to wire connection and a damaged harness.

If a problem is not found, perform an intermittent test by following these steps:
1. Disconnect PCM and install a J 39200 DMM to monitor voltage between the boost control solenoid control circuit at the PCM connector and ground.
2. With the key ON, observe voltage while manipulating related connectors and wiring harness.
3. If the failure is induced, the voltage display will change. This may indicate the location of the fault

Test Description
Number(s) below refer to the step number(s) on the Diagnostic Table.
2. Verifies the ignition feed to the boost control solenoid.
3. The boost control solenoid should be commanded OFF (0% duty cycle) with the ignition ON, engine not running. If the system is functioning properly, the test lamp should be OFF.
4. Ensures that the PCM can control the ODM output for the boost control solenoid and the boost control solenoid control circuit is not open.
5. Checks for a malfunctioning boost control solenoid (sticking open or leaking).
20. This vehicle is equipped with a PCM which utilizes an Electrically Erasable Programmable Read Only Memory (EEPROM). When the PCM is being replaced, the new PCM must be programmed.