Curiosii for ever!: Car repair manuals for everyone.

Air Flow Meter/Sensor: Service and Repair

REMOVAL PROCEDURE





IMPORTANT: The MAF sensor on this engine is attached to the throttle body assembly.

1. Remove the fuel injection sight shield.




2. Disconnect the MAF sensor electrical connector from the MAF sensor.




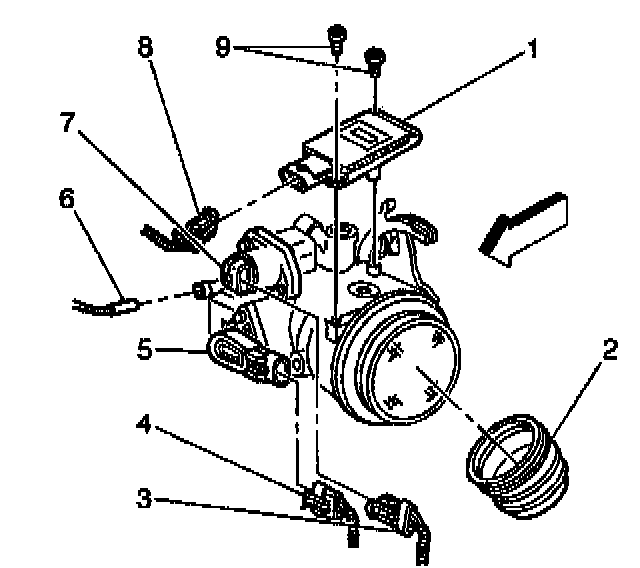
3. Remove the bolts (9) holding MAF sensor (1) to throttle body.
4. Remove the MAF sensor (1) from the throttle body.

INSTALLATION PROCEDURE




1. Carefully position the MAF sensor (1) to the throttle body.
2. Install the 2 bolts (9) holding the MAF sensor to the throttle body.

NOTE: Refer to Fastener Notice in Service Precautions.

Tighten
Tighten the bolts to 3 N.m (27 lb in).




3. Connect the MAF sensor electrical connector to the MAF sensor.




4. Install the fuel injection sight shield.