Curiosii for ever!: Car repair manuals for everyone.

Rear Door Window Regulator: Service and Repair

REMOVAL PROCEDURE




1. Remove the trim panel.
2. Remove the water deflector.
3. Raise the window far enough in order to gain access through the door inner panel to the window to regulator bolts.
4. Remove the window to regulator bolts.
5. Raise the window to the full up position.
6. Tape the window in the full up position.




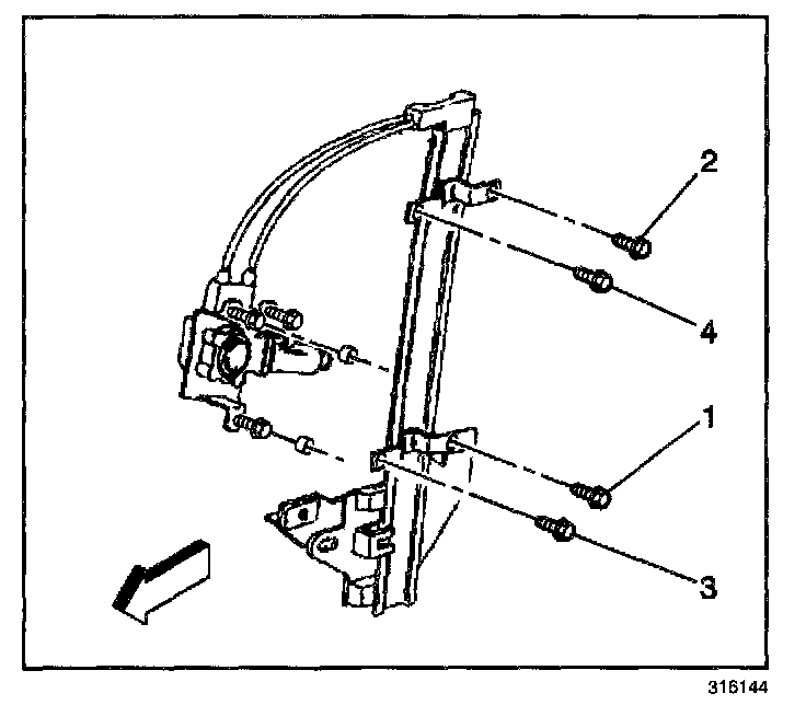
7. Remove the regulator mounting bolts (1,2,3,4).
8. Disconnect the electrical connector.
9. Remove the regulator from the door.

INSTALLATION PROCEDURE




1. Position the regulator to the door.
2. Install the electrical connector.

NOTE: Refer to Fastener Notice in Service Precautions.

IMPORTANT: In order to ensure proper orientation of the window regulator to the door, tighten the window regulator bolts in the specified sequence (1,2,3,4).

3. Install the regulator mounting bolts.

Tighten
Tighten the window regulator bolts to 10 N.m (89 lb in).




4. Remove the tape.
5. Lower the window far enough in order to gain access through the door inner panel to the bolts.
6. Install the window to regulator bolts (2).

Tighten
Tighten the window to regulator bolts to 10 N.m (89 lb in).

7. Install the water deflector.
8. Install the trim panel.