Curiosii for ever!
: Car repair manuals for everyone.
Home
>>
Buick
>>
1999
>>
Regal V6-3.8L SC VIN 1
>>
Repair and Diagnosis
>>
Relays and Modules
>>
Relays and Modules - Powertrain Management
>>
Relays and Modules - Computers and Control Systems
>>
Body Control Module
>>
Diagrams
>>
Electrical Diagrams
>>
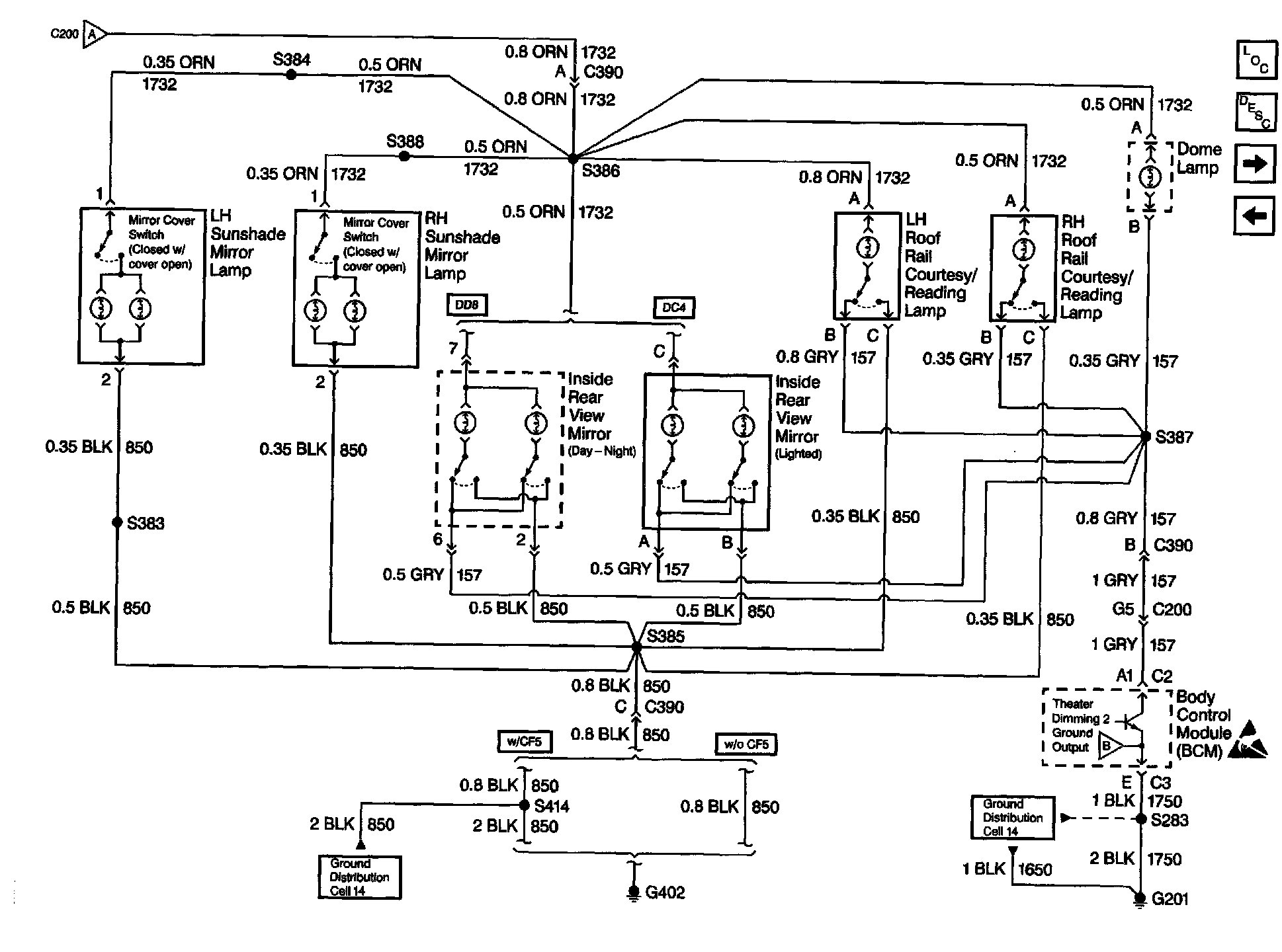
Interior Lights Theater Dimming 2 Output Control
Interior Lights Theater Dimming 2 Output Control
Body Control Module Schematics: Interior Lights Theater Dimming 2 Output Control: