Curiosii for ever!: Car repair manuals for everyone.

Air Flow Meter/Sensor: Service and Repair





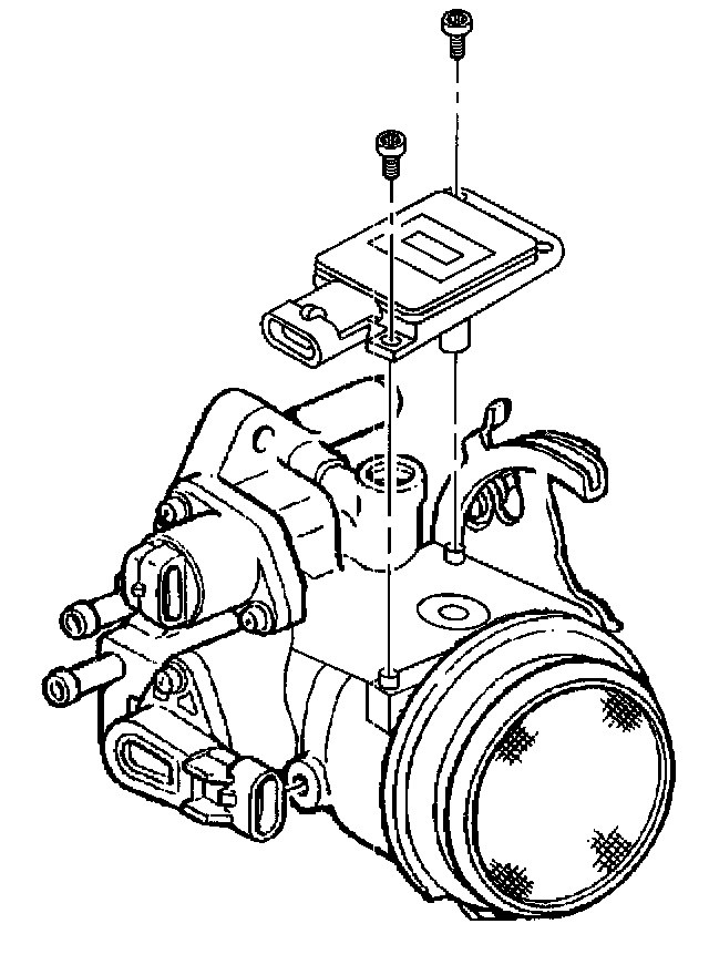
The MAF sensor on this engine is attached to the throttle body assembly.

REMOVAL PROCEDURE
1. Disconnect the negative battery cable.
2. Disconnect the MAF sensor electrical connector.
3. Remove the screws holding MAF sensor to throttle body.
4. Remove the MAF sensor from the throttle body.

INSTALLATION PROCEDURE
1. Carefully position the MAF sensor to the throttle body.

NOTE: Refer to Fastener Notice in Service Precautions.

2. Reinstall the screws holding the MAF sensor to the throttle body.
3. Connect the electrical connector.
4. Connect the negative battery cable.