Curiosii for ever!: Car repair manuals for everyone.

Fuel Tank Pressure Sensor: Service and Repair

REMOVAL PROCEDURE




1. Disconnect the negative battery cable.
2. Remove the trunk liner.
3. Remove the (7) nuts retaining the fuel sender access panel.
4. Remove the fuel sender access panel.




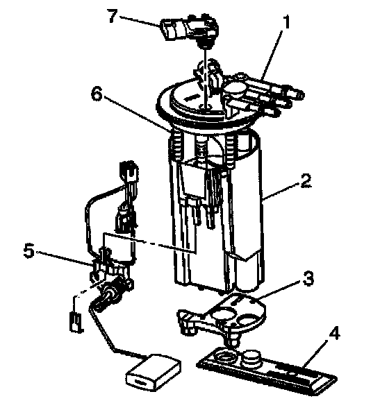
5. Disconnect the electrical connector from the fuel tank vapor pressure sensor.
6. Remove the fuel tank vapor pressure sensor (7) from modular fuel sender assembly.

INSTALLATION PROCEDURE




1. Install the new fuel tank vapor pressure sensor (7) to modular fuel sender.
2. Connect the electrical connector to fuel tank vapor pressure sensor




3. Reinstall the fuel sender access panel.

NOTE: Refer to Fastener Notice in Service Precautions.

4. Reinstall the (7) nuts retaining the fuel sender access panel.

Tighten
Tighten the fuel sender access panel nuts to 10 N.m (8 lb ft)

5. Reinstall the trunk liner.
6. Reconnect the negative battery cable.