Curiosii for ever!
: Car repair manuals for everyone.
Home
>>
Buick
>>
1999
>>
Regal V6-3.8L SC VIN 1
>>
Repair and Diagnosis
>>
Diagrams
>>
Exploded Views
>>
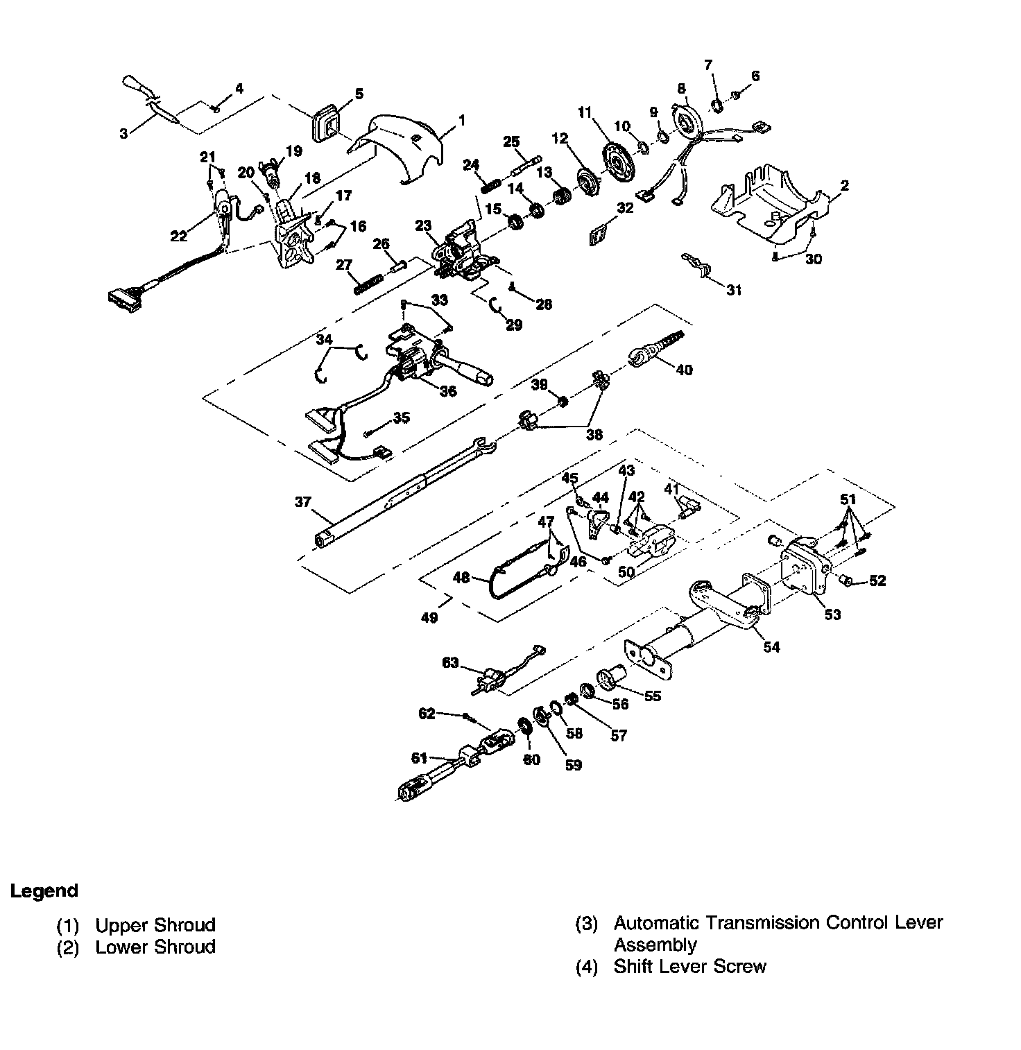
Steering Column
>>
Steering Column - Column Shift
Steering Column - Column Shift
Page 1 Of 2:
Page 2 Of 2: