Curiosii for ever!
: Car repair manuals for everyone.
Home
>>
Buick
>>
1999
>>
Regal V6-3.8L SC VIN 1
>>
Repair and Diagnosis
>>
Diagrams
>>
Electrical Diagrams
>>
Powertrain Management
>>
Computers and Control Systems
>>
Body Control Module
>>
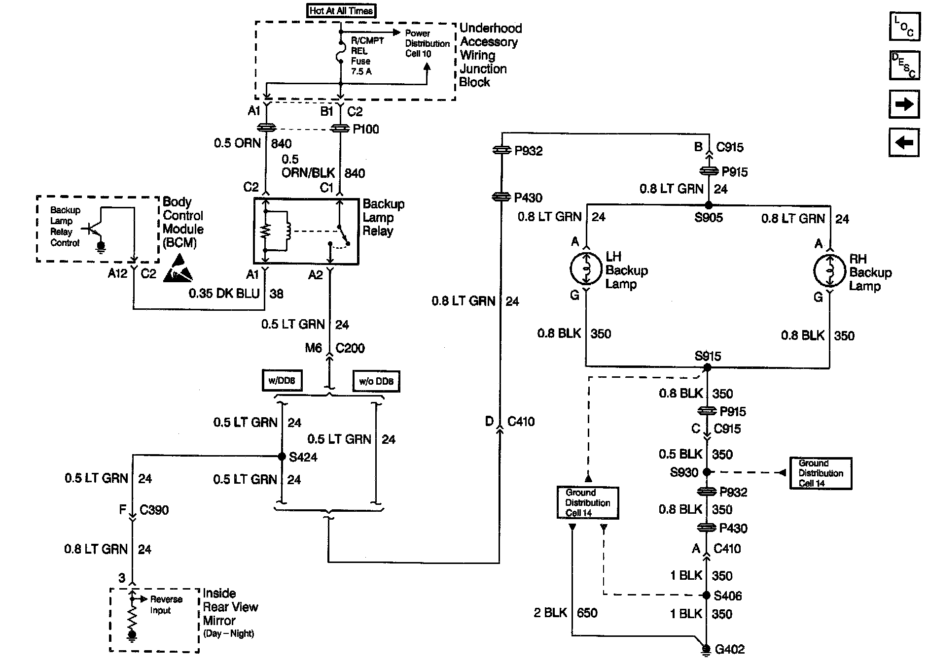
Backup Lamps
Backup Lamps
Body Control Module Schematics: Backup Lamps: