Curiosii for ever!: Car repair manuals for everyone.

Removal Procedure

Description:






1. Disable the SIR system. Refer to Disabling the SIR System.
2. Remove the passenger front seat. Refer to Front Seats in Seats and Carpet.
3. Remove the passenger front carpet retainer, then roll back the carpet. Refer to Carpet Retainers in Seats and Carpet.
4. Remove the Connector Position Assurance (CPA) from the inflatable restraint Sensing and Diagnostic Module (SDM) harness connector.

Description:






5. Disconnect the SDM harness connector from the SDM.

Description:






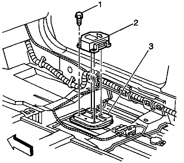
6. Remove the SDM mounting fasteners (1).
7. Remove the SDM (2) from the floor pan (3).