Curiosii for ever!: Car repair manuals for everyone.

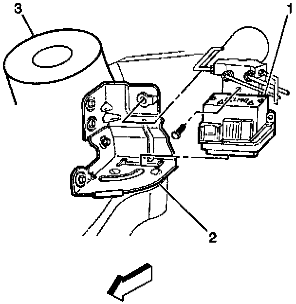
TCS Modulator/Motor Pack Replacement


REMOVAL PROCEDURE





1. Remove the 4-way motor pack electrical connector (3).
2. Use the following procedure in order to remove four brake pipes (1):

2.1. Place a shop cloth on top of the TCS motor pack in order to catch any dripping fluid.
2.2. Do not allow any brake fluid to enter the bottom of the motor pack or the electrical connectors.
2.3. Plug the open brake pipes in order to prevent fluid loss and contamination.
2.4. Remove the two pipes running from the ABS hydraulic modulator.
2.5. Remove the two pipes running to the front wheel brakes.

3. Remove the bolt (4) attaching the front of the TCS hydraulic modulator/motor pack assembly (2) to the mounting bracket.
4. Remove the TCS hydraulic modulator/motor pack assembly (2) from the vehicle.

INSTALLATION PROCEDURE





1. Install the TCS hydraulic modulator/motor pack assembly (2) into the vehicle.
2. Install the bolt (4) attaching the TCS hydraulic modulator/motor pack assembly (2) to the mounting bracket.
^ Tighten the bolt (4) to 9 Nm (80 inch lbs).

NOTICE: Refer to Fastener Notice in Service Precautions.

3. Install the four brake pipes (1) to the TCS hydraulic modulator/motor pack assembly (2).
4. Install the 4-way TCS motor pack electrical connector (3).

IMPORTANT: Bleed the system. Refer to Bleeding Hydraulic Brake System in Brakes.