Curiosii for ever!: Car repair manuals for everyone.

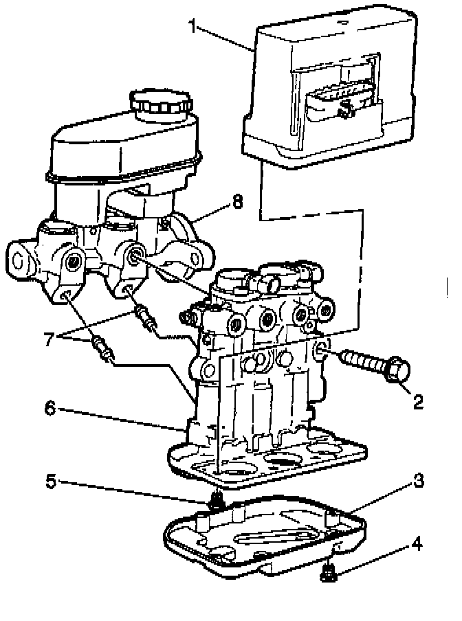
TCS Modulator Replacement

REMOVAL PROCEDURE





1. Remove the gear cover (3). Refer to Modulator Gear Cover Replacement.
2. Remove the motor pack (1). Refer to TCS Motor Pack Replacement

IMPORTANT: If the modulator must be replaced, install the two gears in the same location on the replacement modulator. Modulator Gear Cover Replacement.

Repair of the modulator is not authorized. Replace the modulator as an assembly.

INSTALLATION PROCEDURE





1. With the modulator positioned upside down, and the gears facing you, rotate each modulator gear clockwise until movement stops.
^ This procedure will cause the following conditions:
- The pistons are positioned very close to the bottom of the modulator bore.
- The brake bleeding procedure is simplified.

2. Install the motor pack (1) onto the modulator (6).
3. Install the gear cover (3) to the modulator/motor pack assembly.