Curiosii for ever!
: Car repair manuals for everyone.
Home
>>
Buick
>>
1998
>>
Park Avenue V6-3.8L VIN K
>>
Repair and Diagnosis
>>
Locations
>>
Component Locations
>>
Modules
>>
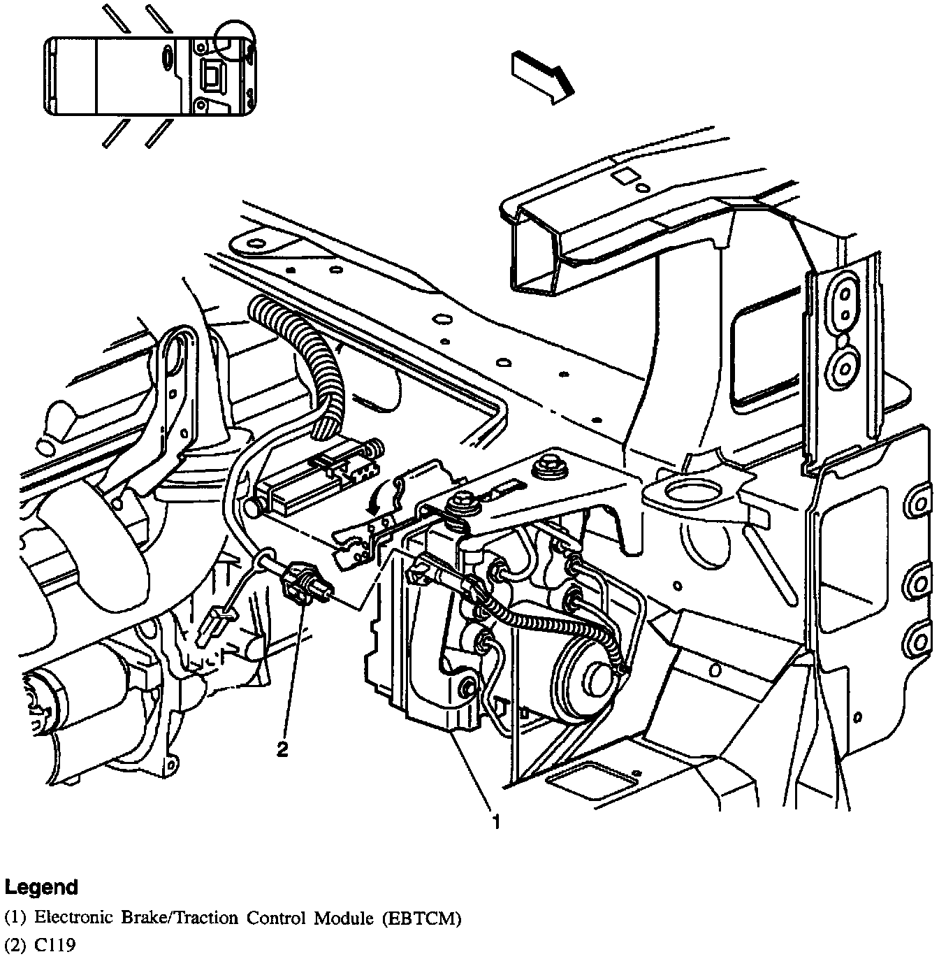
Electronic Brake/Traction Control Module (EBTCM)
Electronic Brake/Traction Control Module (EBTCM)
LH Front Of The Engine Compartment: