Curiosii for ever!
: Car repair manuals for everyone.
Home
>>
Buick
>>
1998
>>
Park Avenue V6-3.8L VIN K
>>
Repair and Diagnosis
>>
Diagrams
>>
Electrical Diagrams
>>
Powertrain Management
>>
Computers and Control Systems
>>
Body Control Module
Body Control Module
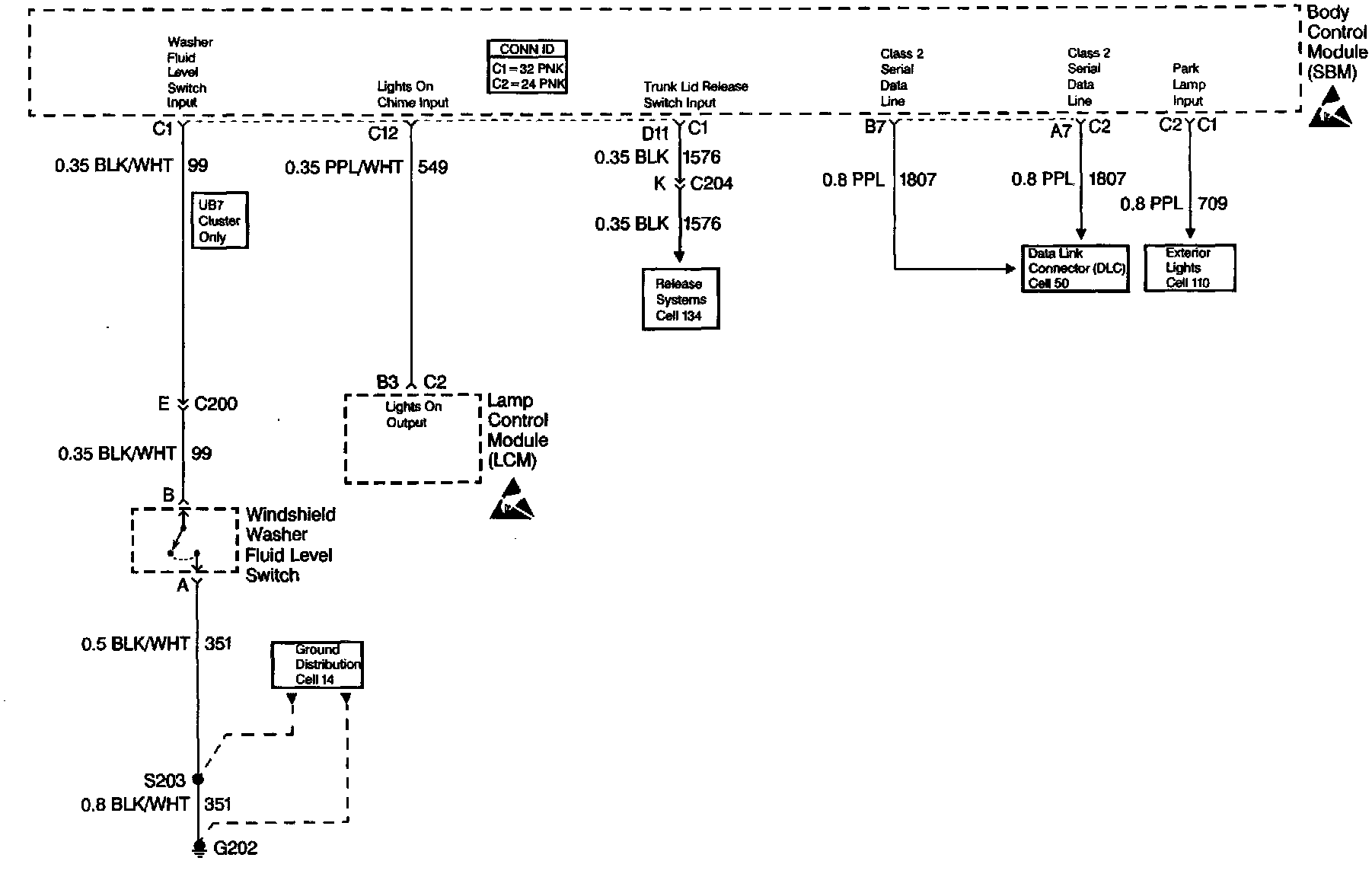
Body Control Module (Part 1 Of 4):
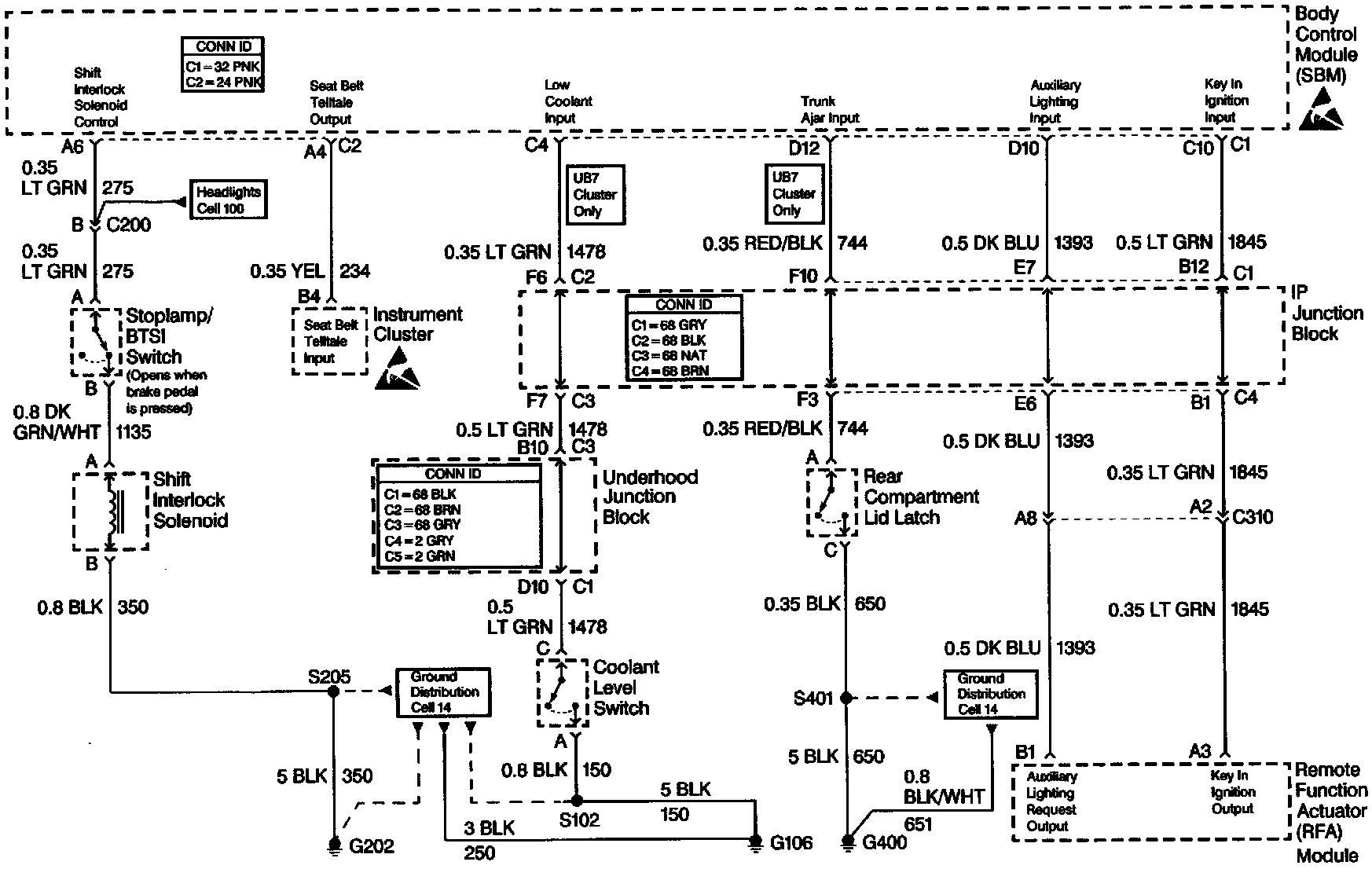
Body Control Module (Part 2 Of 4):
Body Control Module (Part 3 Of 4):
Body Control Module (Part 4 Of 4):