Curiosii for ever!
: Car repair manuals for everyone.
Home
>>
Buick
>>
1998
>>
Park Avenue V6-3.8L VIN K
>>
Repair and Diagnosis
>>
Diagrams
>>
Components
>>
Modules
>>
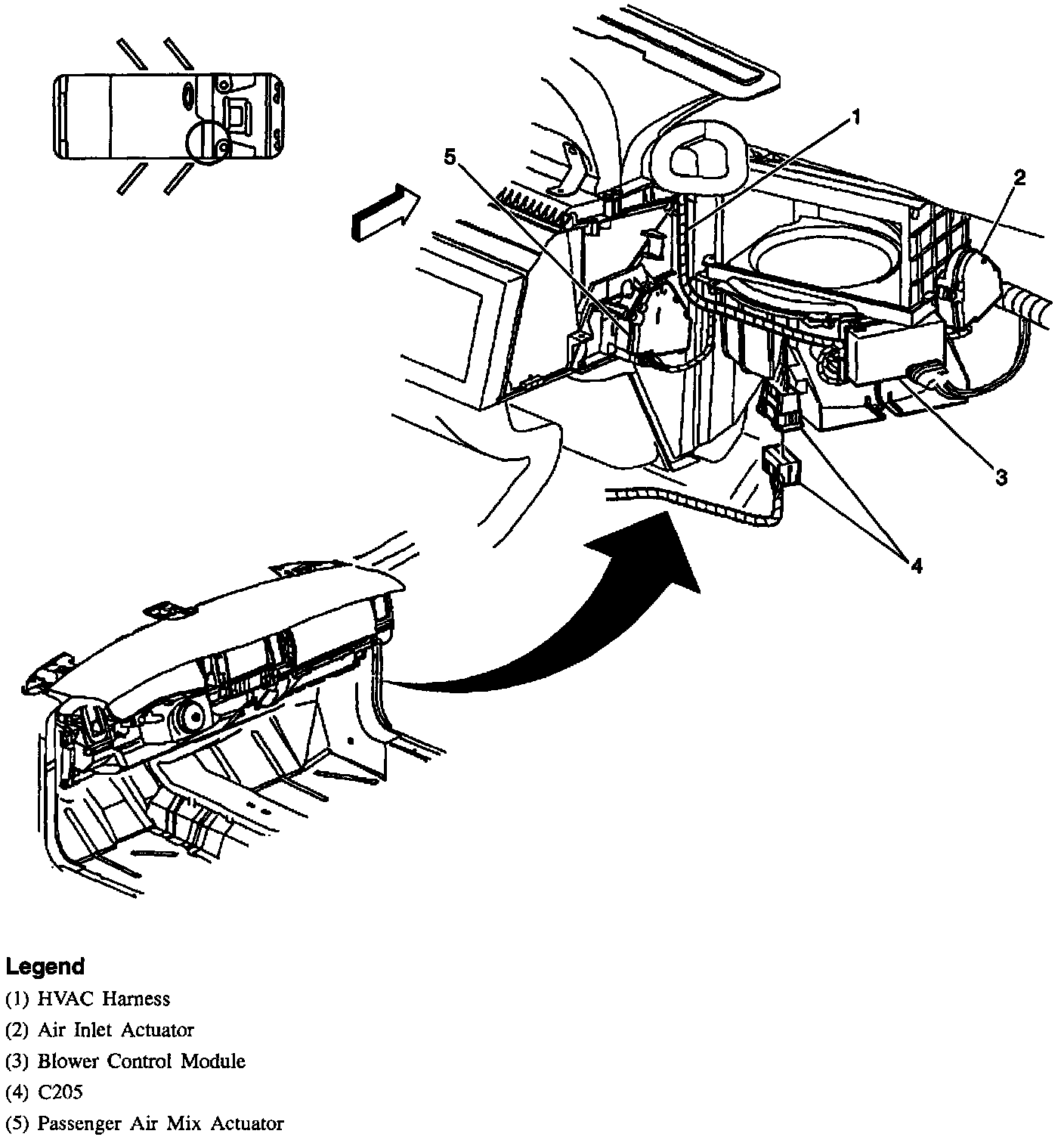
Blower Control Module
Blower Control Module
Behind The RH Of The Instrument Panel: