Curiosii for ever!
: Car repair manuals for everyone.
Home
>>
Buick
>>
1997
>>
Regal V6-3.8L VIN K
>>
Repair and Diagnosis
>>
Powertrain Management
>>
Transmission Control Systems
>>
Diagrams
>>
Electrical Diagrams
>>
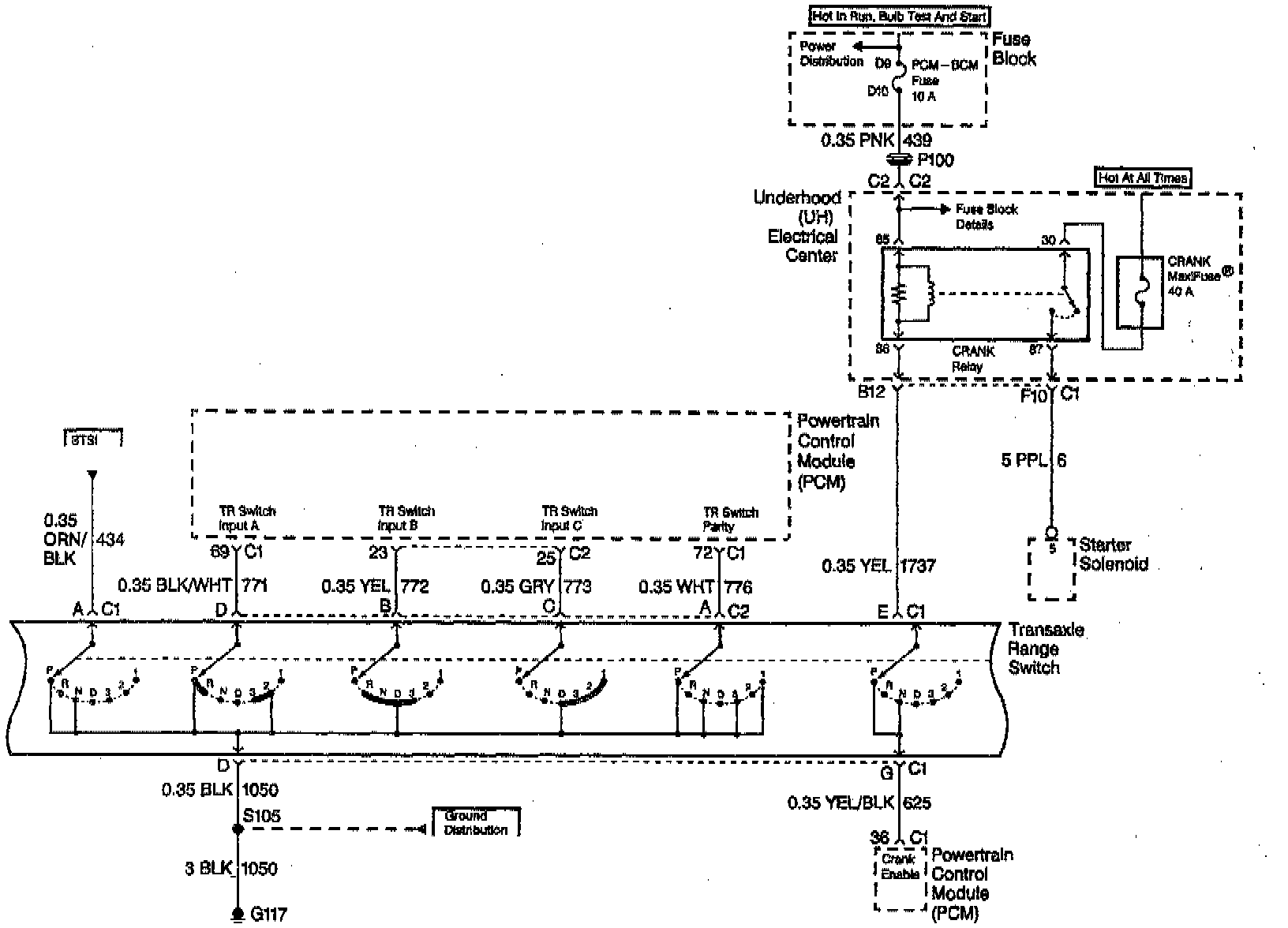
Transaxle Range Switch
Transaxle Range Switch
Wiring Diagram:
Wiring Diagram: