Curiosii for ever!
: Car repair manuals for everyone.
Home
>>
Buick
>>
1997
>>
Regal V6-3.8L VIN K
>>
Repair and Diagnosis
>>
Diagrams
>>
Exploded Views
>>
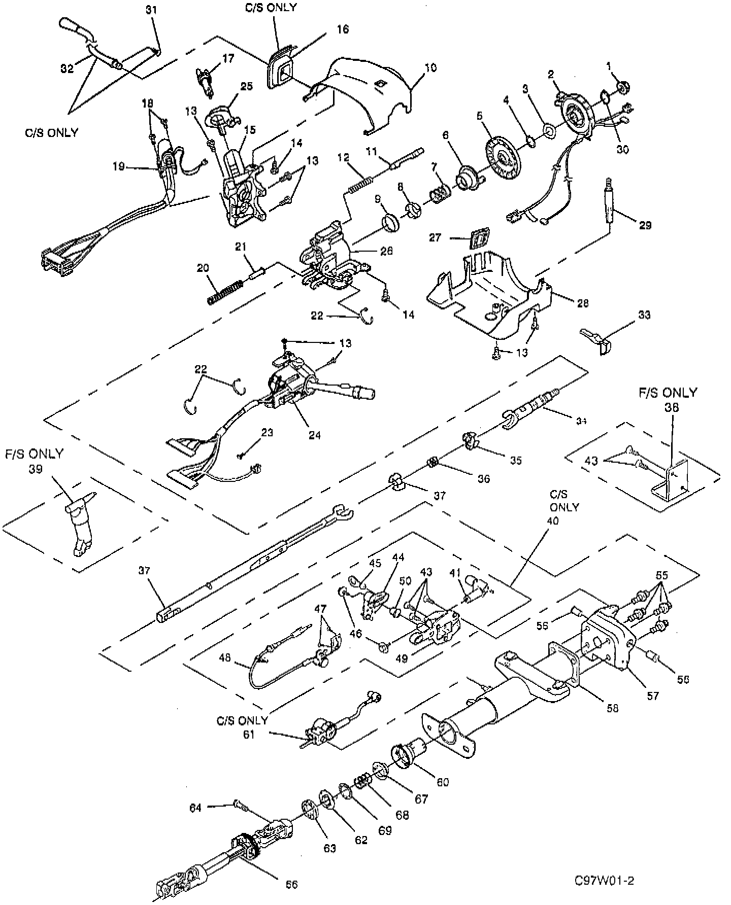
Steering Column
Steering Column