Curiosii for ever!
: Car repair manuals for everyone.
Home
>>
Buick
>>
1997
>>
Regal V6-3.8L SC VIN 1
>>
Repair and Diagnosis
>>
Diagrams
>>
Electrical Diagrams
>>
Transmission Control Systems
>>
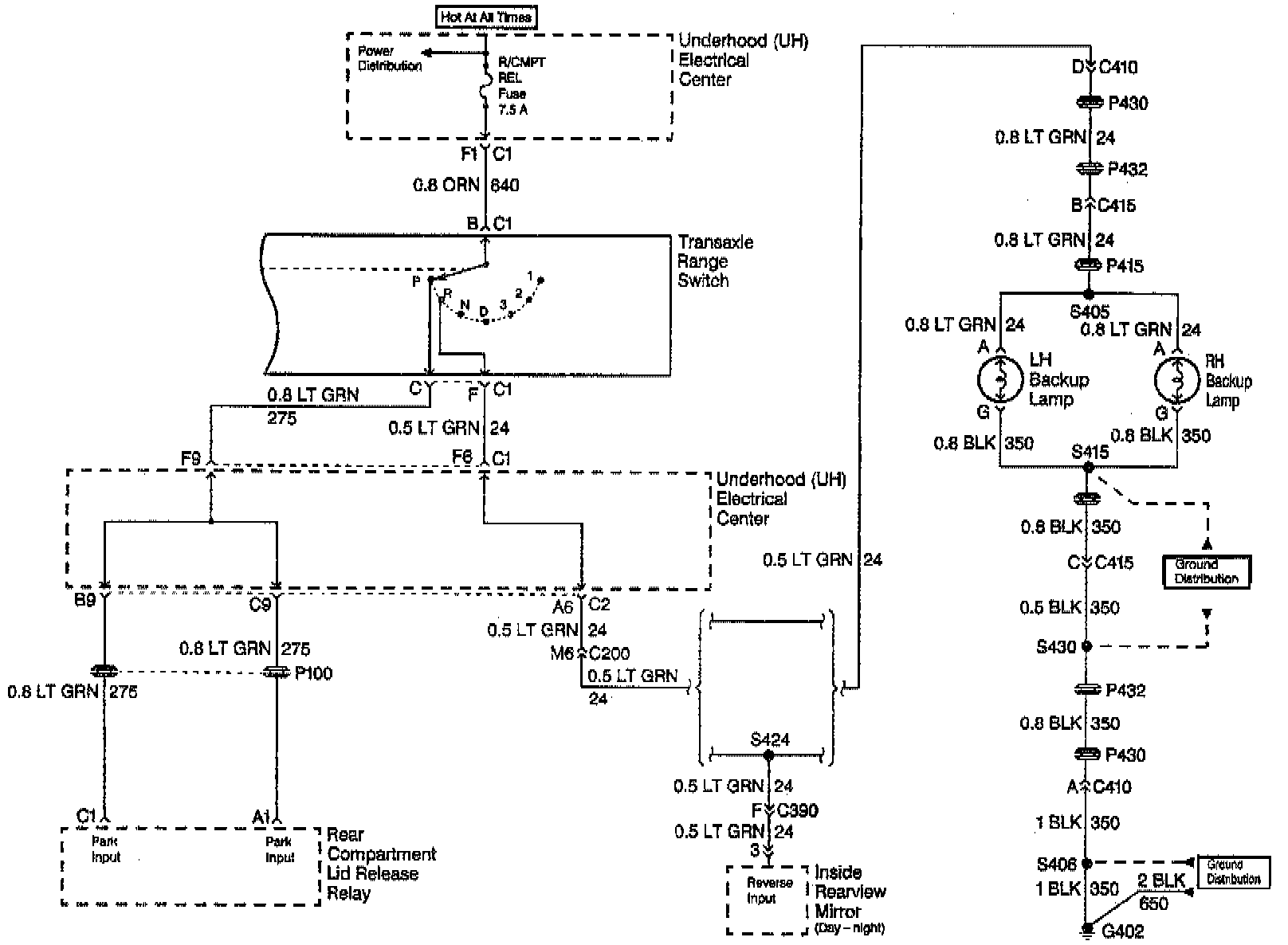
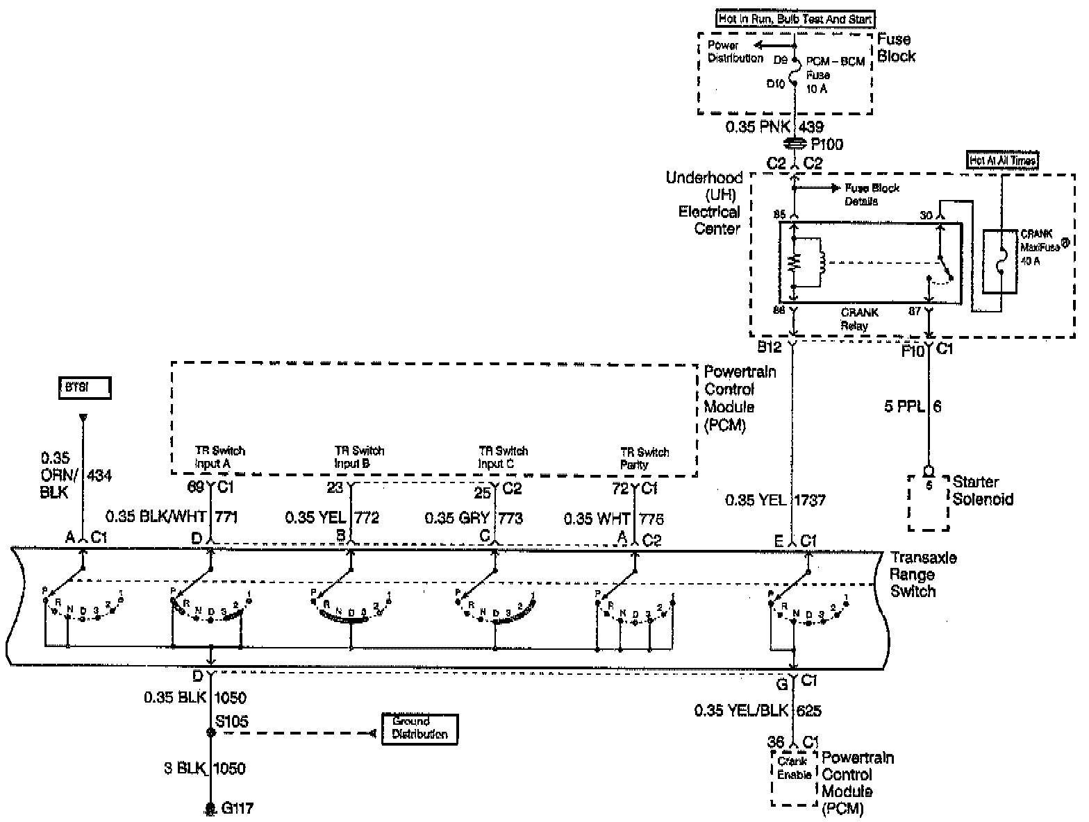
Transaxle Range Switch
Transaxle Range Switch