Curiosii for ever!: Car repair manuals for everyone.

Knock Sensor: Service and Repair

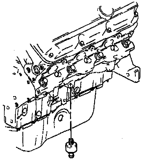
Knock Sensor:




Knock Sensor Heat Shield:






Removal Procedure

WARNING: Engine coolant may be hot. Although cooling system has been drained, coolant still remains In engine water Jacket. This coolant will drain when knock sensor is removed.

1. Disconnect the negative battery cable.
2. Raise the vehicle.
3. Remove the splash shield.
4. Drain the cooling system.
5. Remove the knock sensor heat shield mounting bolt located under the freeze plug (or block heater if equipped).
6. Disconnect the knock sensor wiring harness connector from the knock sensor.
7. Remove the knock sensor from the engine block.

Installation Procedure

CAUTION: Do Not apply thread sealant to sensor threads. The sensor is coated at the factory and applying additional sealant will affect the sensors ability to detect detonation.

1. Install the knock sensor into the engine block. Tighten knock sensor to 19 Nm (14 lb ft).
2. Install the knock sensor heat shield mounting bolt located under the freeze plug (or block heater if equipped).
3. Connect the knock sensor wiring harness connector to the knock sensor.
4. Install the splash shield.
5. Lower the vehicle.
6. Fill the cooling system.
7. Connect the negative battery cable.