Curiosii for ever!
: Car repair manuals for everyone.
Home
>>
Buick
>>
1995
>>
Roadmaster V8-350 5.7L VIN P MFI
>>
Repair and Diagnosis
>>
Powertrain Management
>>
Relays and Modules - Powertrain Management
>>
Relays and Modules - Computers and Control Systems
>>
Engine Control Module
>>
Locations
>>
Connector Locations
>>
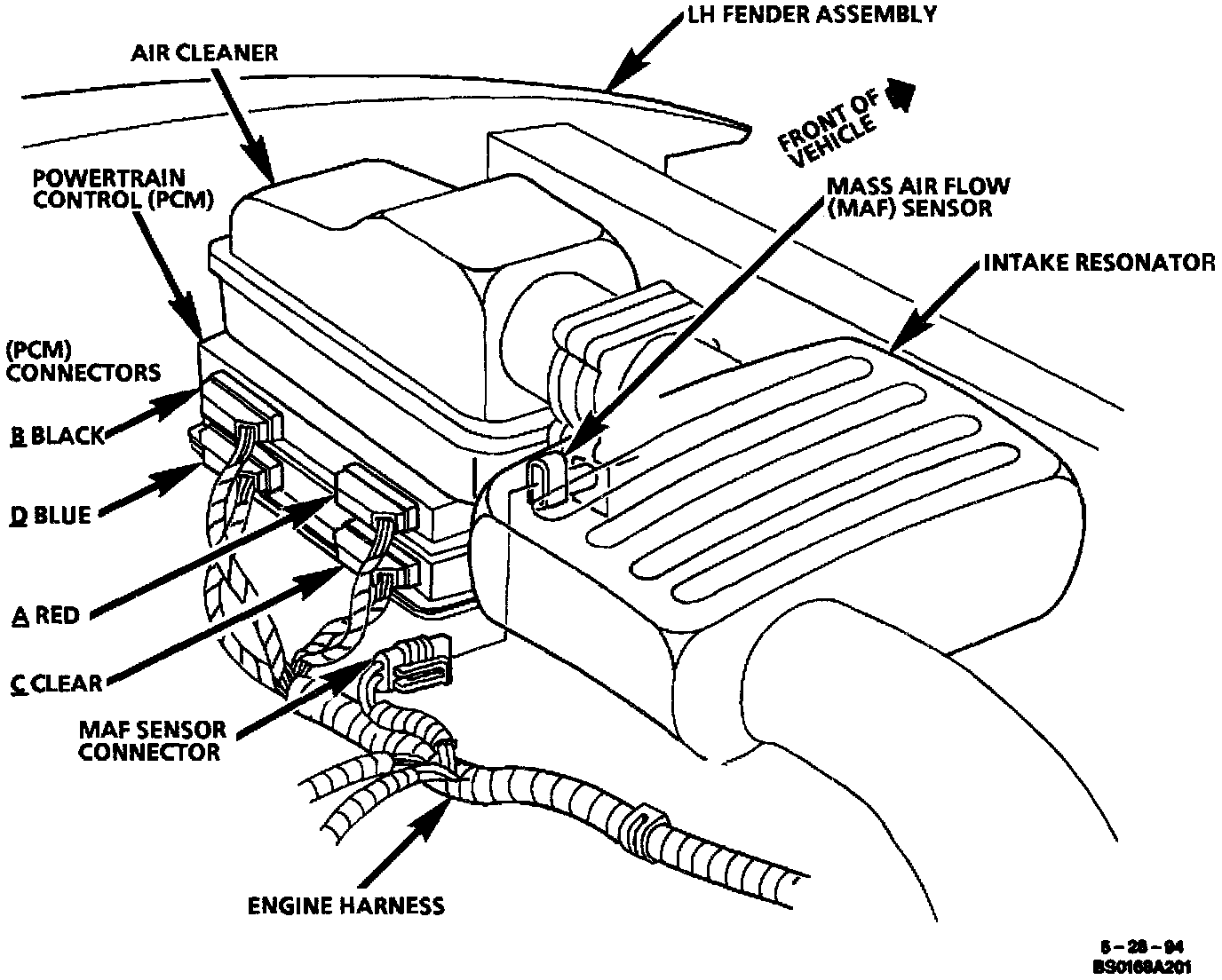
C Clear
C Clear
Powertrain Control Module (PCM):