Curiosii for ever!: Car repair manuals for everyone.

Knock Sensor: Service and Repair

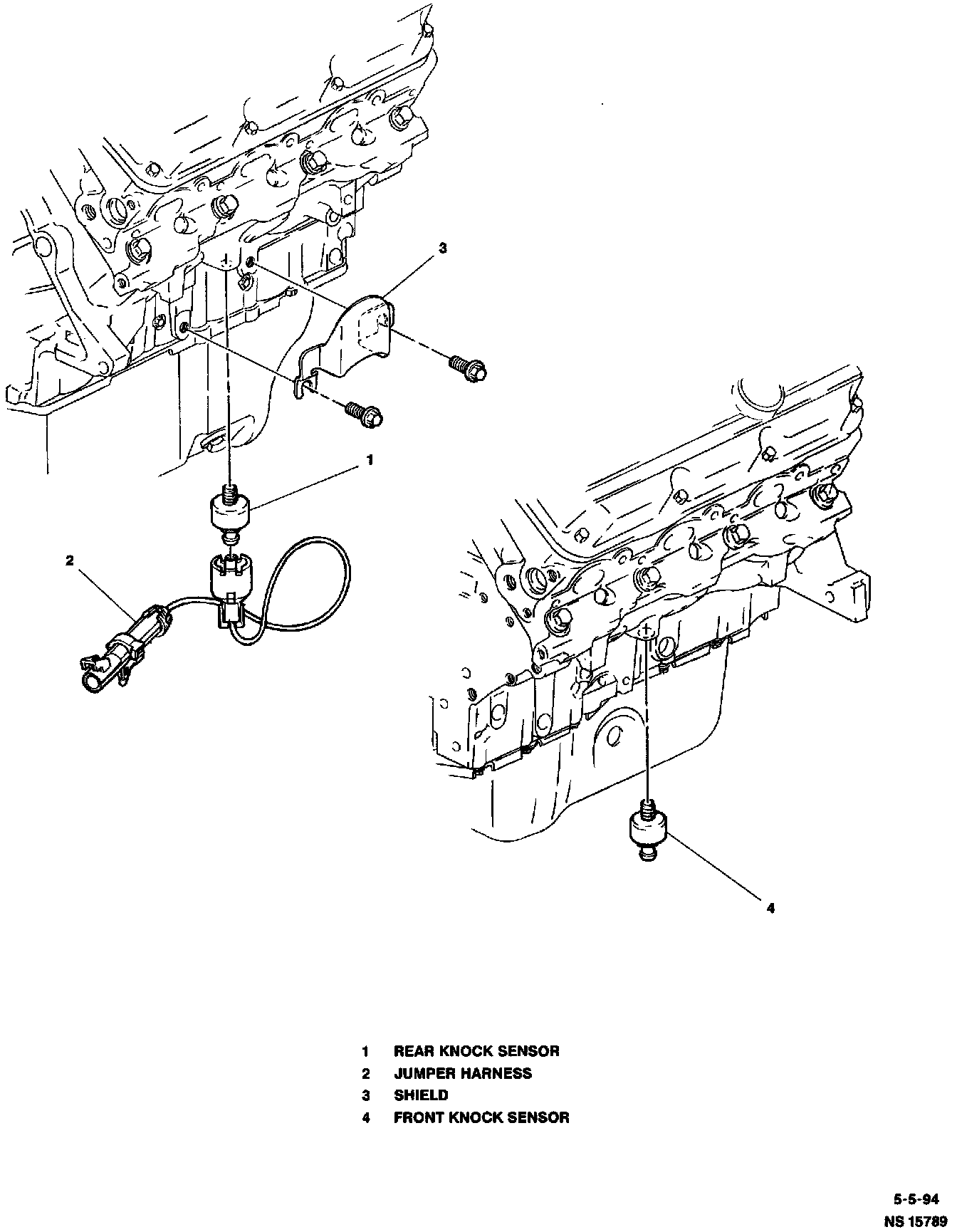
Knock Sensor:






REMOVE OR DISCONNECT
1. Negative battery cable.
2. Drain cooling system.
3. Raise vehicle.
4. Knock sensor wiring harness connector from knock sensor.

WARNING: Engine coolant may be hot. Although cooling system has been drained, coolant still remains in the engine water jacket. This coolant will drain when knock sensor is removed.

5. Knock sensor from engine block.

INSTALL OR CONNECT

NOTE: Do Not apply thread sealant to sensor threads. Sensor is coated at factory and applying additional sealant will affect the sensors ability to detect detonation.

1. Knock sensor into engine block.

Tighten
Knock sensor to 19 Nm (14 lb. ft.).

2. Knock sensor wiring harness connector to the knock sensor.
3. Lower vehicle.
4. Fill cooling system.
5. Negative battery cable.