Curiosii for ever!: Car repair manuals for everyone.

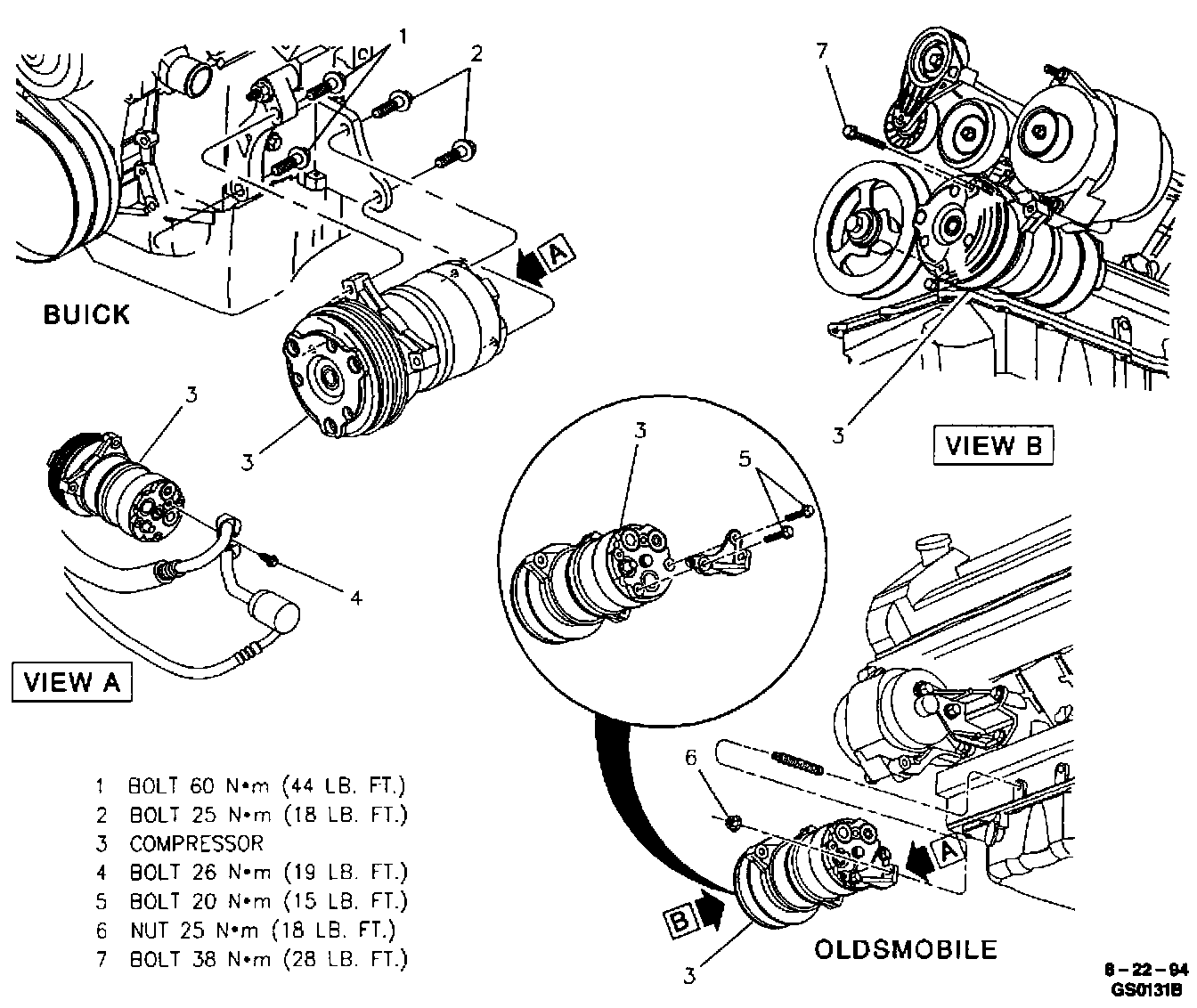
Compressor Replacement

Compressor Mounting:






Remove or Disconnect

^ Recover refrigerant from A/C system.
1. Serpentine drive belt.
2. Raise vehicle on hoist.
3. Electrical connector(s).
4. Suction/discharge refrigerant line assembly from rear of compressor.
5. Bolts from compressor and engine block. (Leaving bracket attached to compressor).
6. Compressor.

Install or Connect

1. Compressor with bolts.
2. Mounting bolt and torque all bolts to specification.

Tighten
^ Rear bolts to 25 N.m (18.5 lb. ft.).
^ Front bolts to 60 N.m (44 lb. ft.).
^ Rear mounting nut (4.0L) to 25 N.m (18.5 lb. ft.).

3. Suction/discharge refrigerant line assembly to rear of compressor.

Tighten
^ Bolt to 26 N.m (19 lb. ft.).

4. Electrical connections to compressor.
5. Lower vehicle.
6. Serpentine drive belt.
^ Evacuate, charge and leak test A/C system.