Curiosii for ever!: Car repair manuals for everyone.

Fuel Injector Control, Fuel Pump Control, Ignition & VSS Data

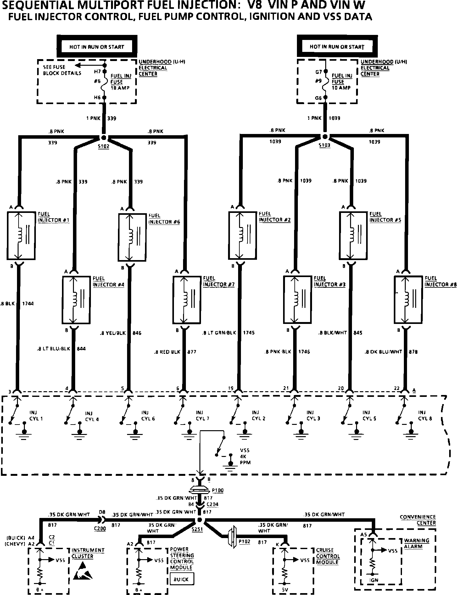
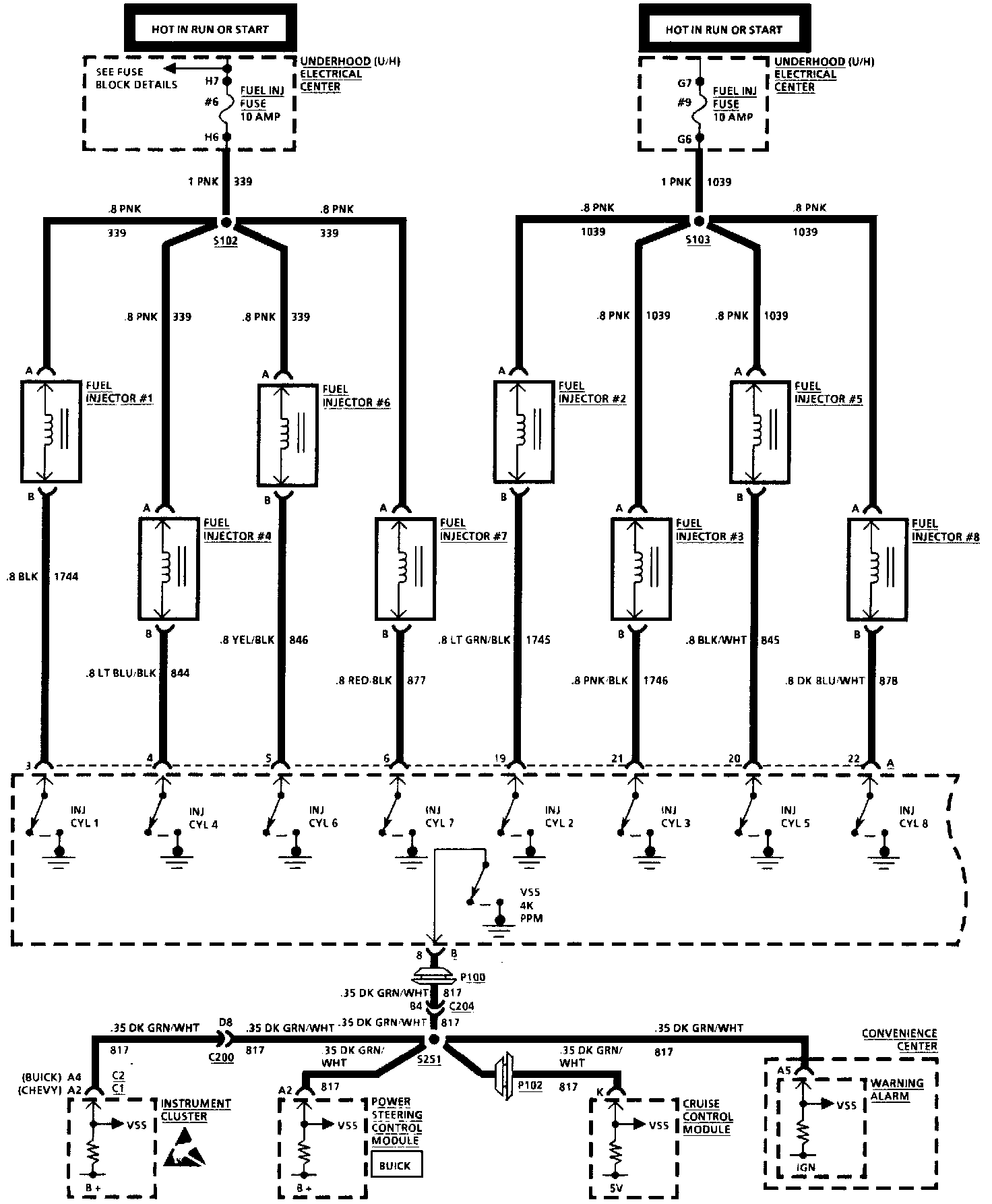
Fuel Injector Control, Fuel Pump Control, Ignition And VSS Data.:



Fuel Injector Control, Fuel Pump Control, Ignition And VSS Data.:



Fuel Injector Control, Fuel Pump Control, Ignition & VSS Data (Part 1 Of 2):



Fuel Injector Control, Fuel Pump Control, Ignition & VSS Data (Part 2 Of 2):