Curiosii for ever!: Car repair manuals for everyone.

System Description

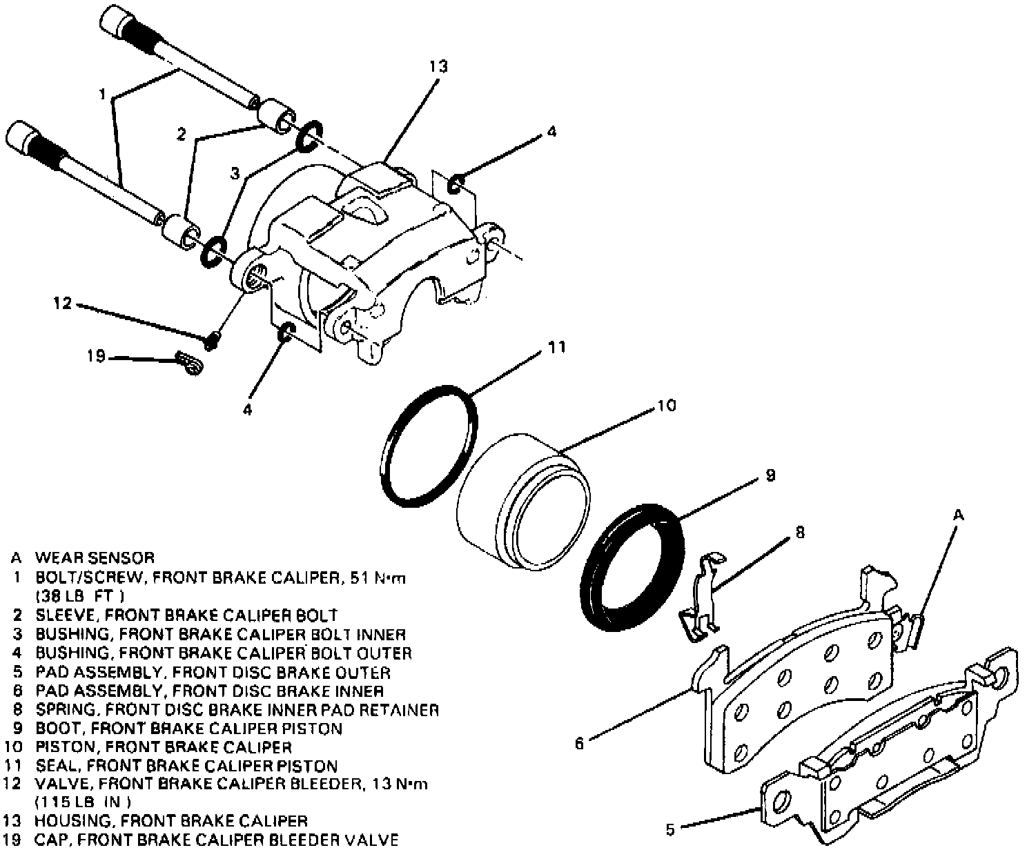
Fig. 1 Typical AC-Delco 3000/3075/3100 Series Caliper Exploded View:






DESCRIPTION
This single piston sliding caliper assembly, Fig. 1, incorporates a one piece housing with the inboard side of the housing bored for the piston. A seal within the housing bore provides a hydraulic seal between the piston and housing wall.

OPERATION
A spring steel scraper (wear sensor) is incorporated on each inboard shoe. When the shoe lining has worn to within 0.030 inch of the shoe, the sensor scrapes the rotor and emits an audible high frequency sound indicating that the linings should be replaced.

The caliper assembly slides on the mounting bolts. Upon brake application, fluid pressure against the piston forces the inboard shoe and lining assembly against the inboard side of the disc. This action causes the caliper assembly to slide until the outboard lining comes into contact with the disc. As pressure builds up, the linings are pressed against the disc with increased force.