Curiosii for ever!
: Car repair manuals for everyone.
Home
>>
Buick
>>
1994
>>
Regal V6-231 3.8L VIN L SFI
>>
Repair and Diagnosis
>>
Diagrams
>>
Electrical Diagrams
>>
Powertrain Management
>>
System Diagram
>>
Electronic/Powertrain Control Module (ECM/PCM)
Electronic/Powertrain Control Module (ECM/PCM)
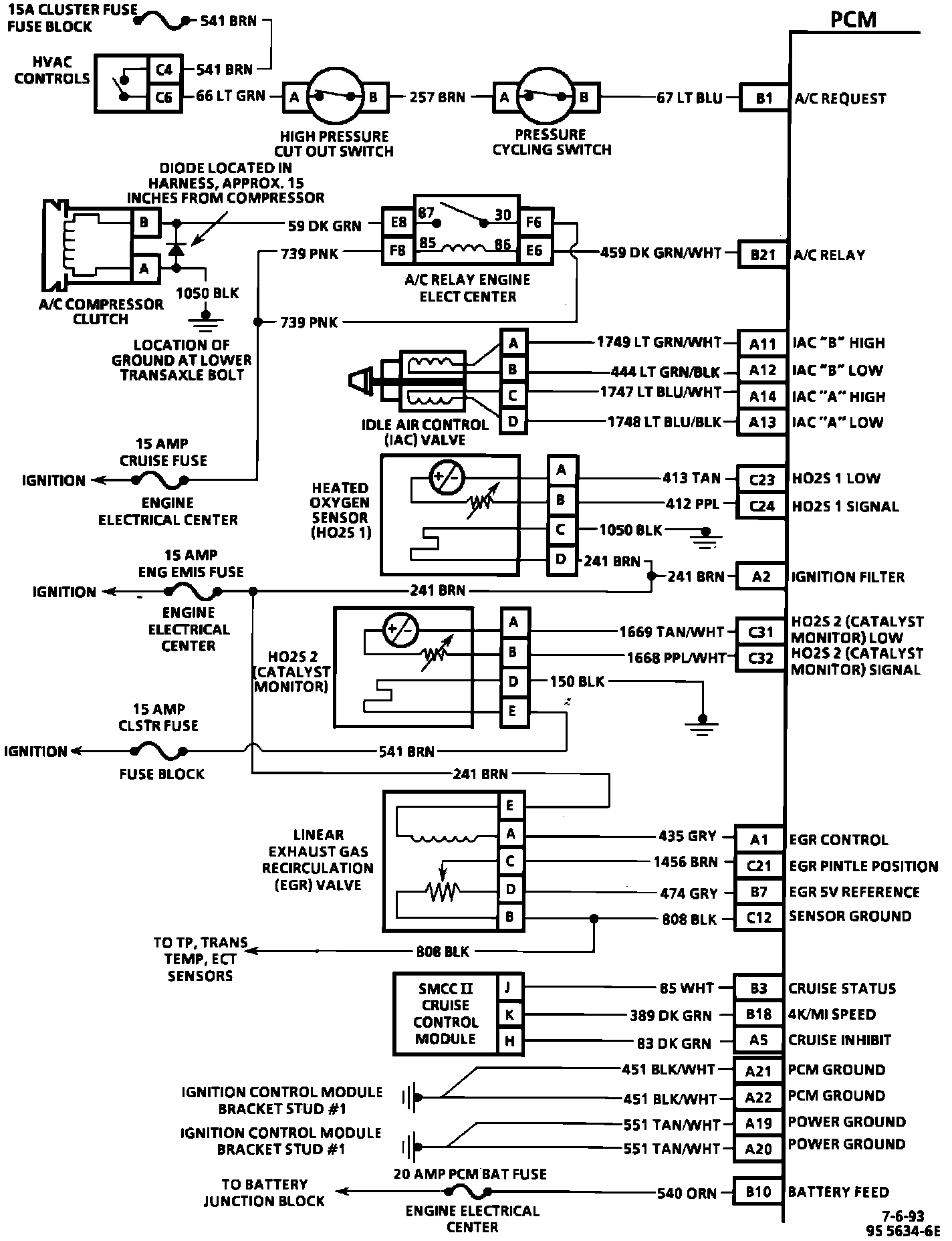
Engine Management Circuit Schematic (1 Of 4):
Engine Management Circuit Schematic (2 Of 4):
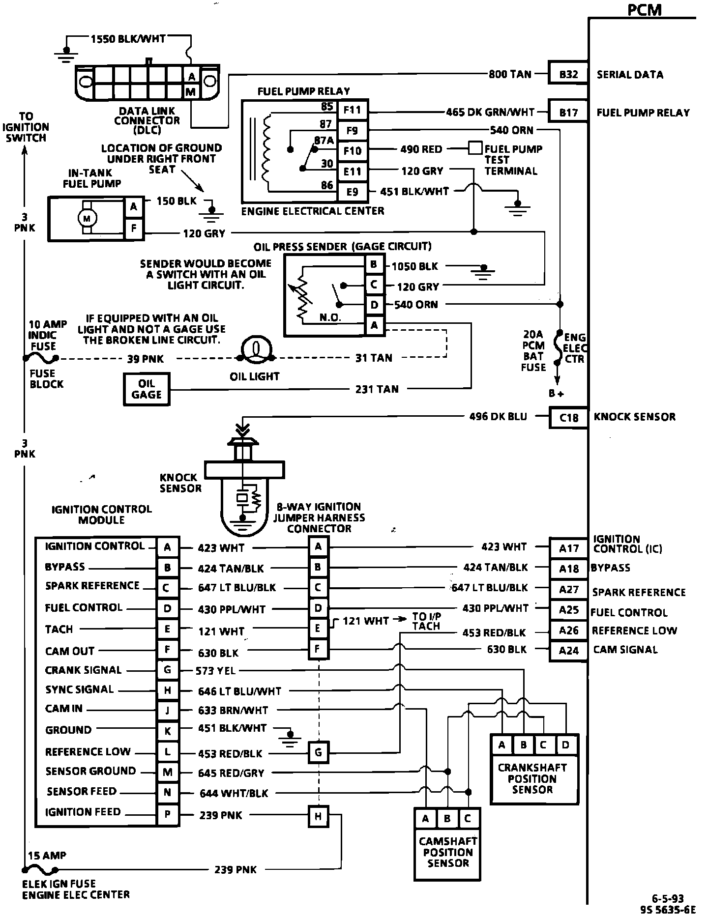
Engine Management Circuit Schematic (3 Of 4):
Engine Management Circuit Schematic (4 Of 4):