Curiosii for ever!
: Car repair manuals for everyone.
Home
>>
Buick
>>
1994
>>
LeSabre V6-231 3.8L VIN L SFI
>>
Repair and Diagnosis
>>
Relays and Modules
>>
Relays and Modules - Lighting and Horns
>>
Lamp Control Module
>>
Service and Repair
Lamp Control Module: Service and Repair
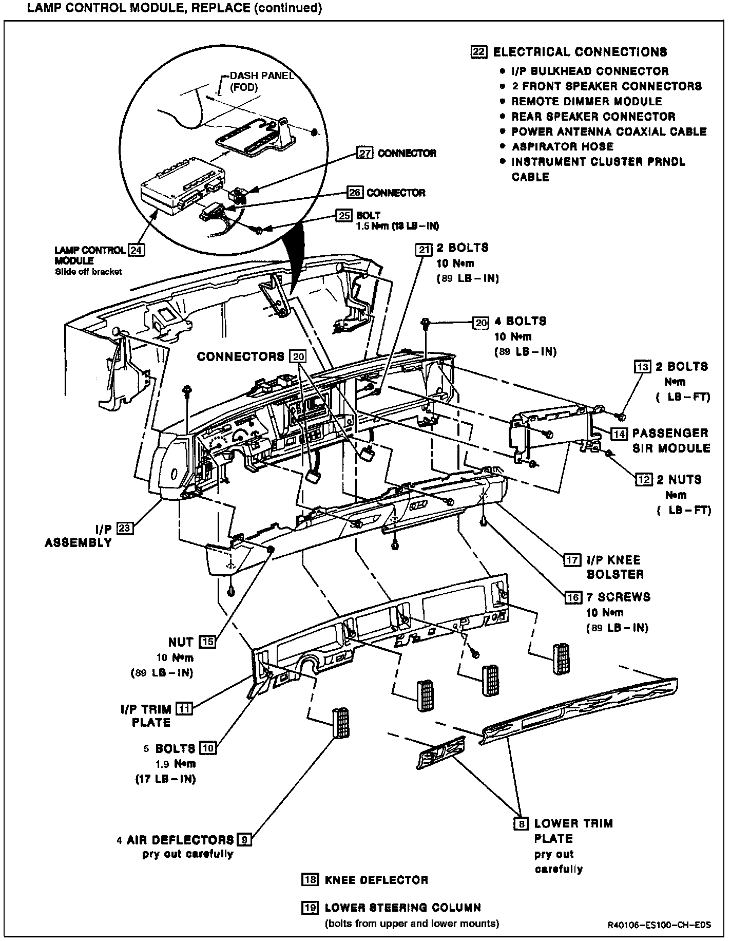
Lamp Control Module, Replace (Part 1 Of 2):
Lamp Control Module, Replace (Part 2 Of 2):
Lamp Control Module, Replace: