Curiosii for ever!
: Car repair manuals for everyone.
Home
>>
Buick
>>
1994
>>
LeSabre V6-231 3.8L VIN L SFI
>>
Repair and Diagnosis
>>
Diagrams
>>
Connector Views
>>
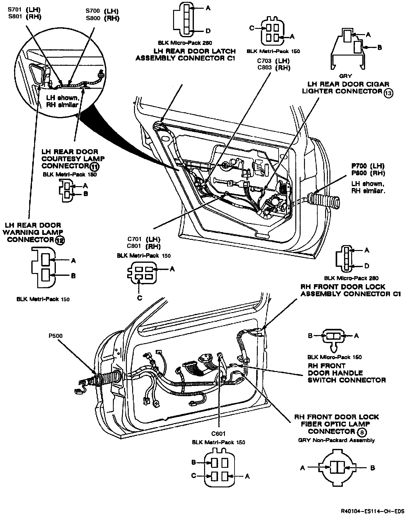
Power Door Lock Control Module
>>
C1
>>
RH
RH
System Locator: Interior Lamps:
System Locator: Theft Deterrent System: