Curiosii for ever!
: Car repair manuals for everyone.
Home
>>
Buick
>>
1994
>>
LeSabre V6-231 3.8L VIN L SFI
>>
Repair and Diagnosis
>>
Diagrams
>>
Connector Views
>>
Lamp Out Indicator
>>
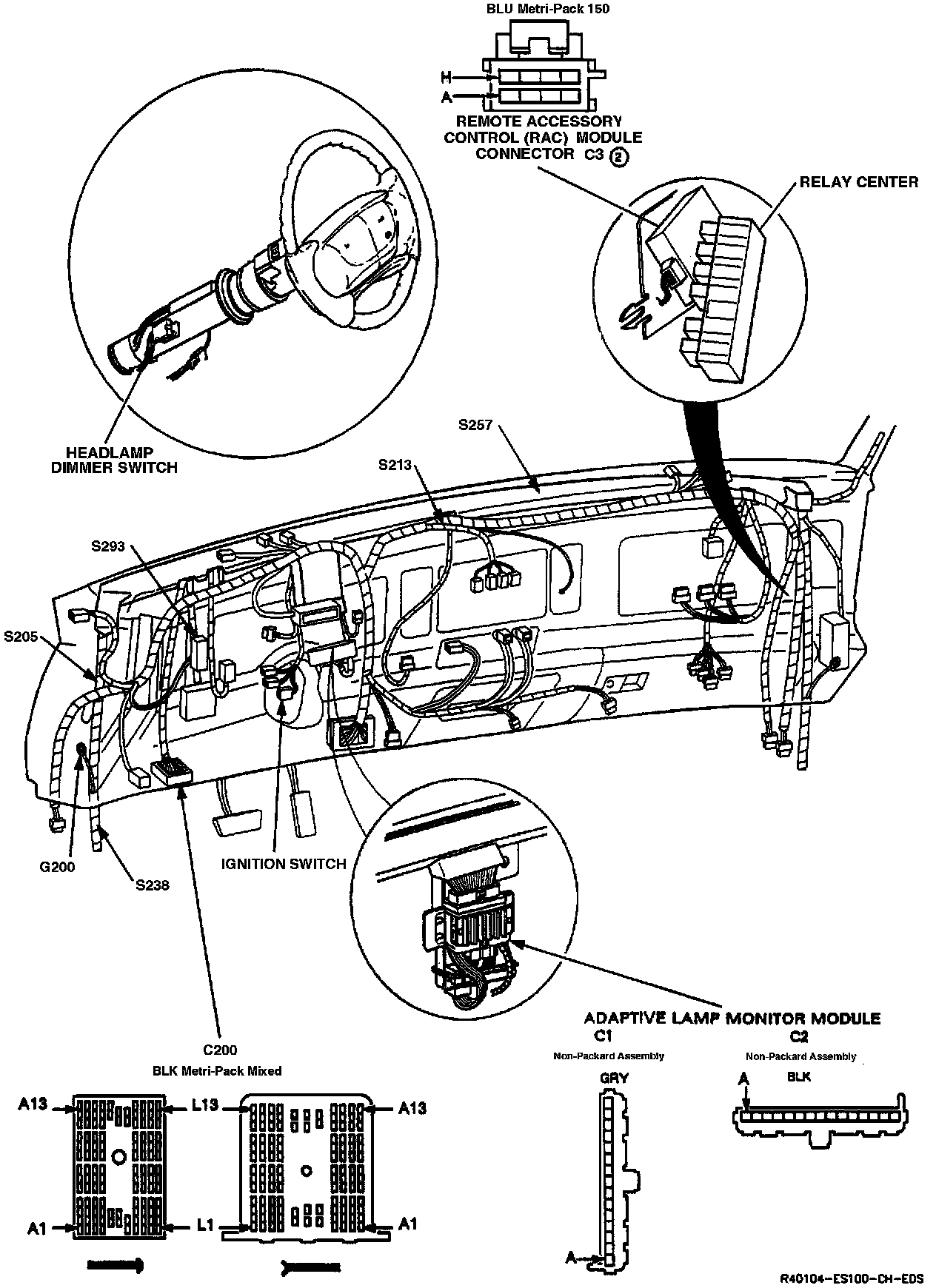
Adaptive Lamp Monitor Module
Adaptive Lamp Monitor Module
System Locator: Headlamps: