Curiosii for ever!
: Car repair manuals for everyone.
Home
>>
Buick
>>
1994
>>
LeSabre V6-231 3.8L VIN L SFI
>>
Repair and Diagnosis
>>
Diagrams
>>
Connector Views
>>
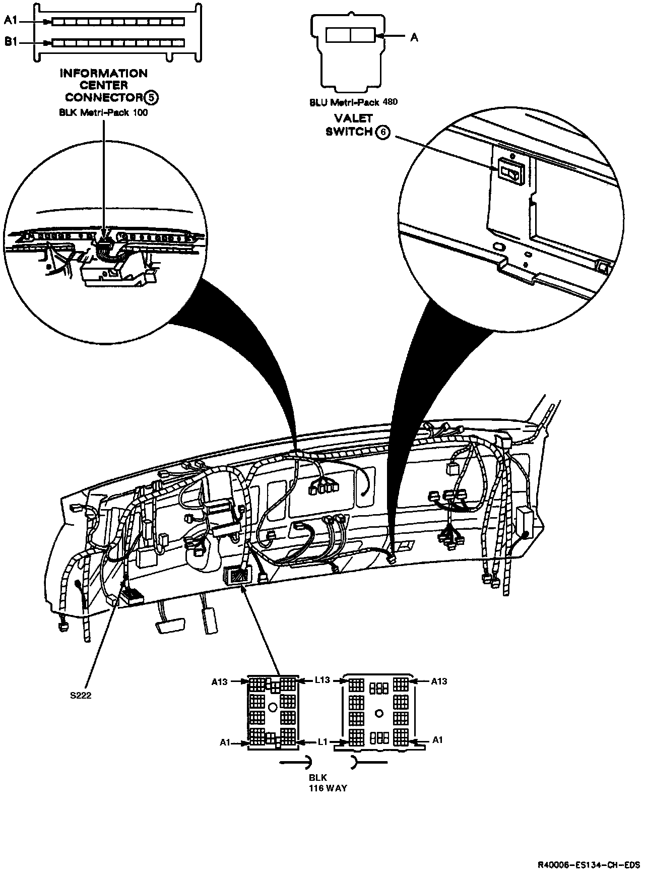
Antitheft Mode Switch
Antitheft Mode Switch
System Locator: Luggage Compartment Lid Release/Pull-Down & Fuel Door Release: