Curiosii for ever!
: Car repair manuals for everyone.
Home
>>
Buick
>>
1994
>>
LeSabre V6-231 3.8L VIN L SFI
>>
Repair and Diagnosis
>>
Diagrams
>>
Components
>>
Modules
>>
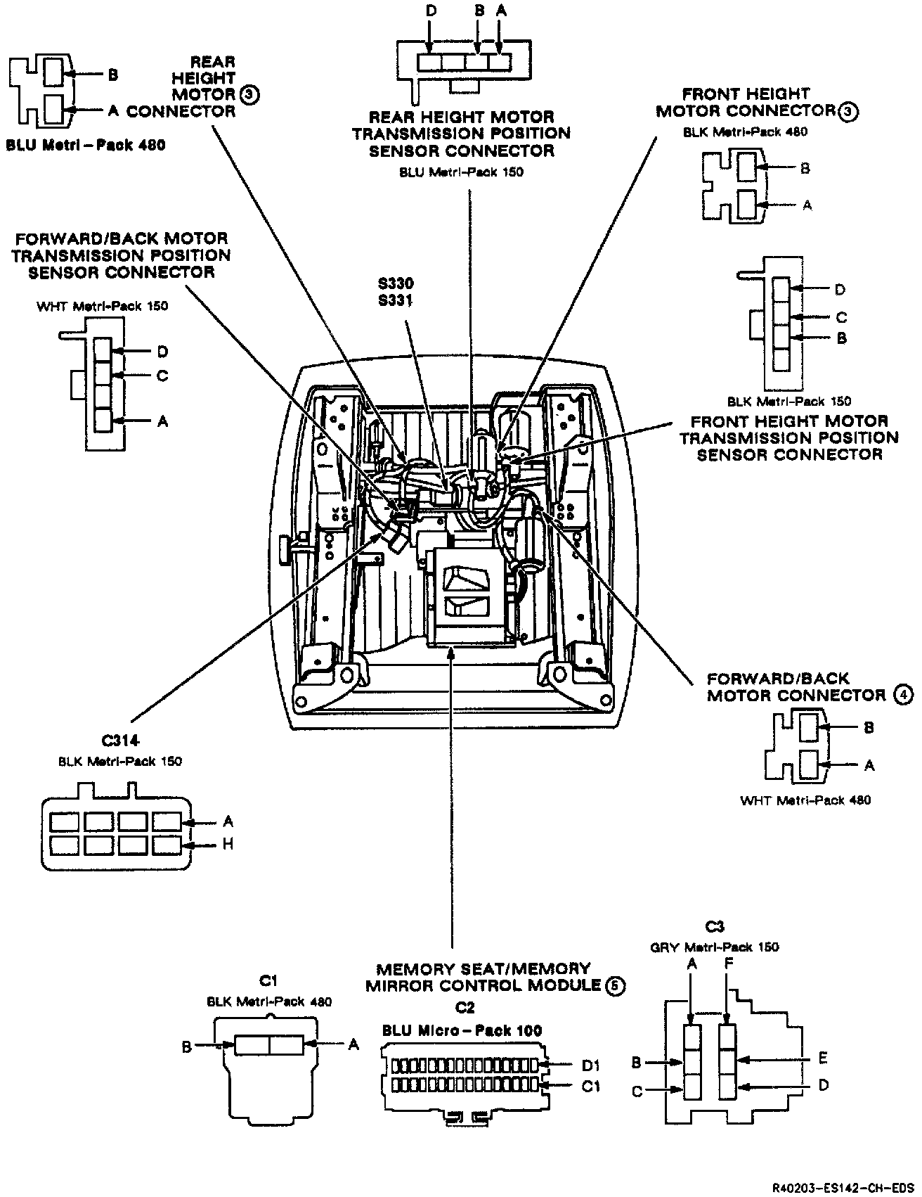
Memory Seat/Memory Mirror Control Module
Memory Seat/Memory Mirror Control Module
System Locator: Memory Seat/Memory Mirrors (A43):