Curiosii for ever!
: Car repair manuals for everyone.
Home
>>
Buick
>>
1994
>>
LeSabre V6-231 3.8L VIN L SFI
>>
Repair and Diagnosis
>>
Accessories and Optional Equipment
>>
Antitheft and Alarm Systems
>>
Locations
>>
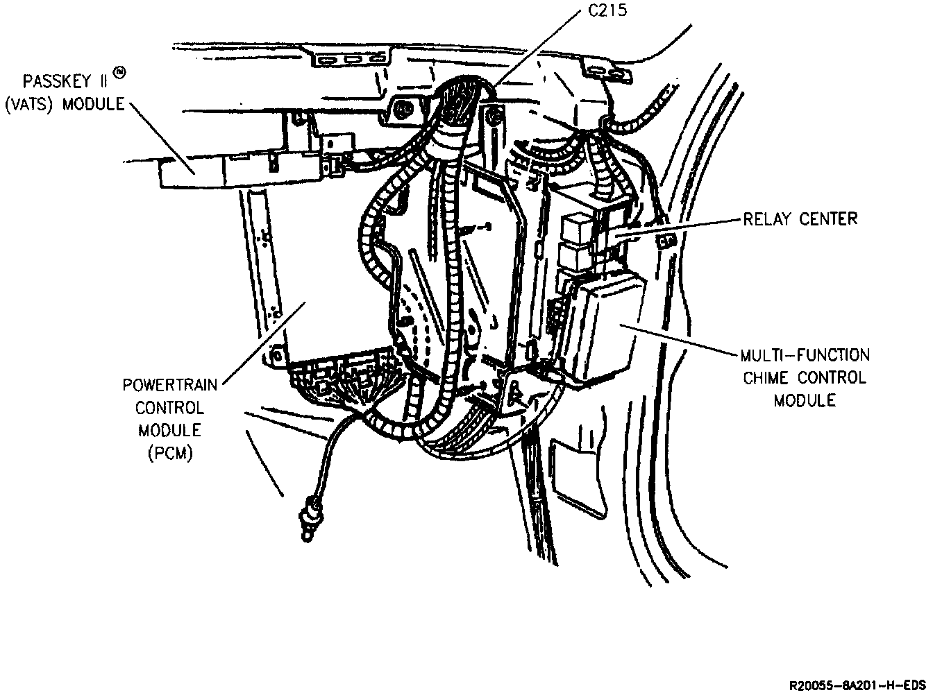
PASS-Key II Decoder Module
PASS-Key II Decoder Module
PASS-KEY II DECORDER MODULE
Behind RH Side Of I/P:
The PASS-Key II Decorder Module is located behind the top RH side of Instrument Panel
(I/P)
.