Curiosii for ever!
: Car repair manuals for everyone.
Home
>>
Buick
>>
1993
>>
Regal V6-191 3.1L
>>
Repair and Diagnosis
>>
Diagrams
>>
Exploded Views
>>
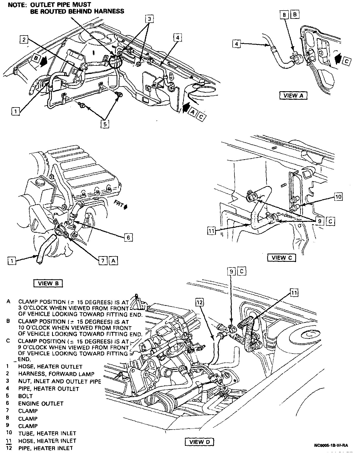
Heater Hose
Heater Hose
Heater Hoses: