Curiosii for ever!
: Car repair manuals for everyone.
Home
>>
Buick
>>
1993
>>
LeSabre V6-231 3.8L VIN L SFI
>>
Repair and Diagnosis
>>
Accessories and Optional Equipment
>>
Accessory Delay Module
>>
Locations
>>
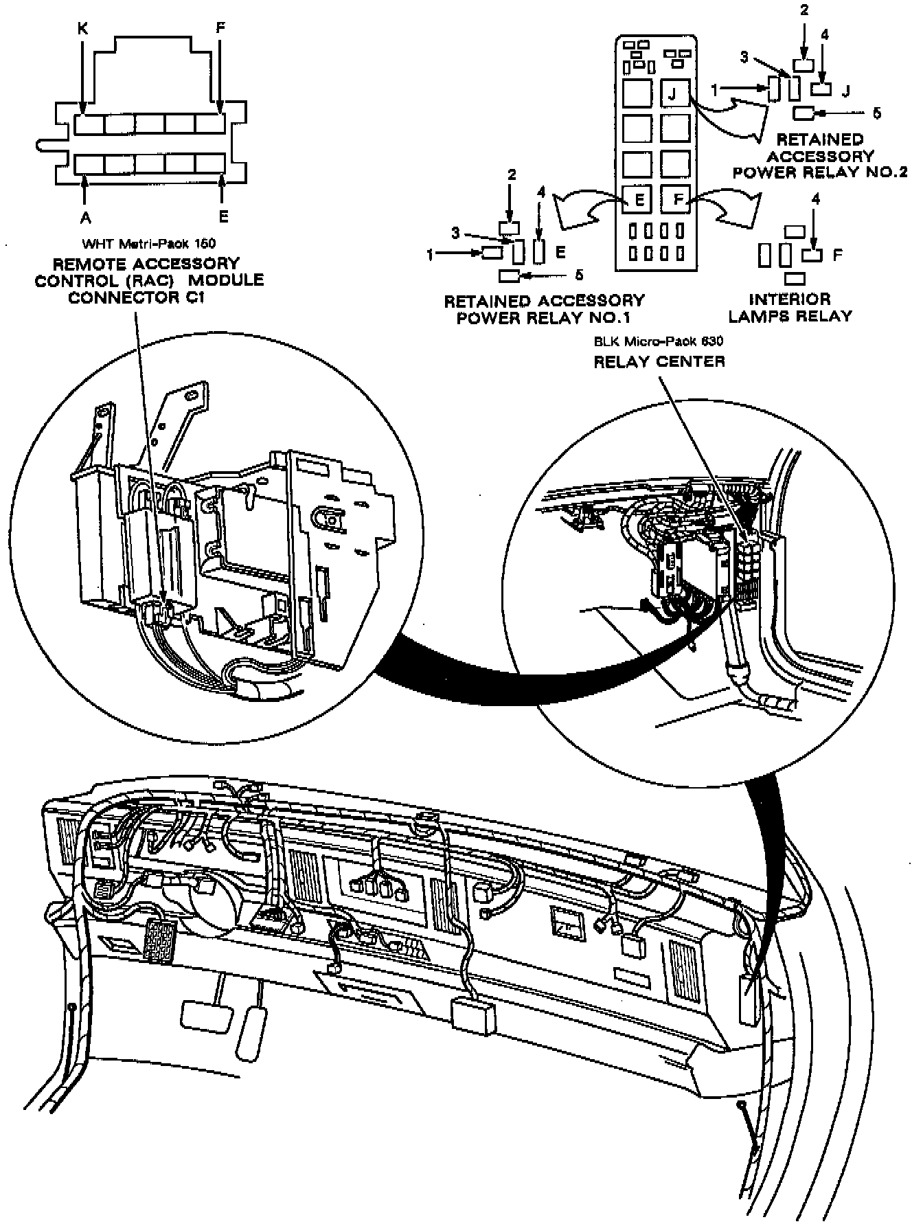
Remote Accessory Control (RAC) Module
Remote Accessory Control (RAC) Module
System Locator: Retained Accessory Power: