Curiosii for ever!
: Car repair manuals for everyone.
Home
>>
Buick
>>
1992
>>
Skylark V6-204 3.3L VIN N FI
>>
Repair and Diagnosis
>>
Windows and Glass
>>
Windows
>>
Power Window Control Module
>>
Locations
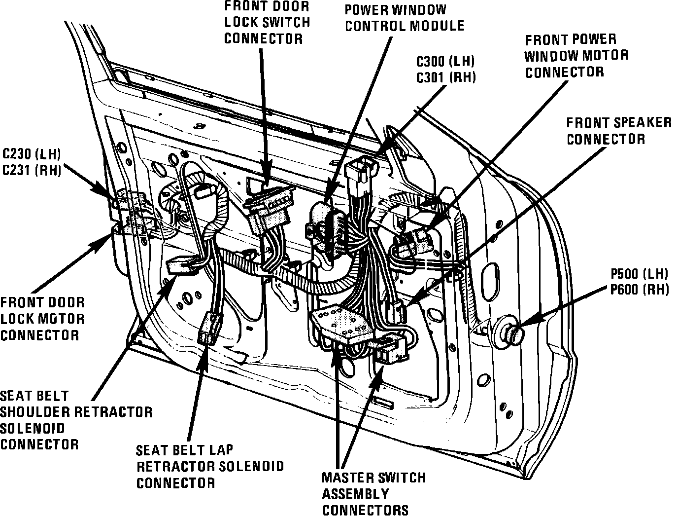
Power Window Control Module: Locations
LH Front Door (4 Door Shown, 2 Door Similar) (RH Similar):