Curiosii for ever!: Car repair manuals for everyone.

Heater Core Case: Service and Repair




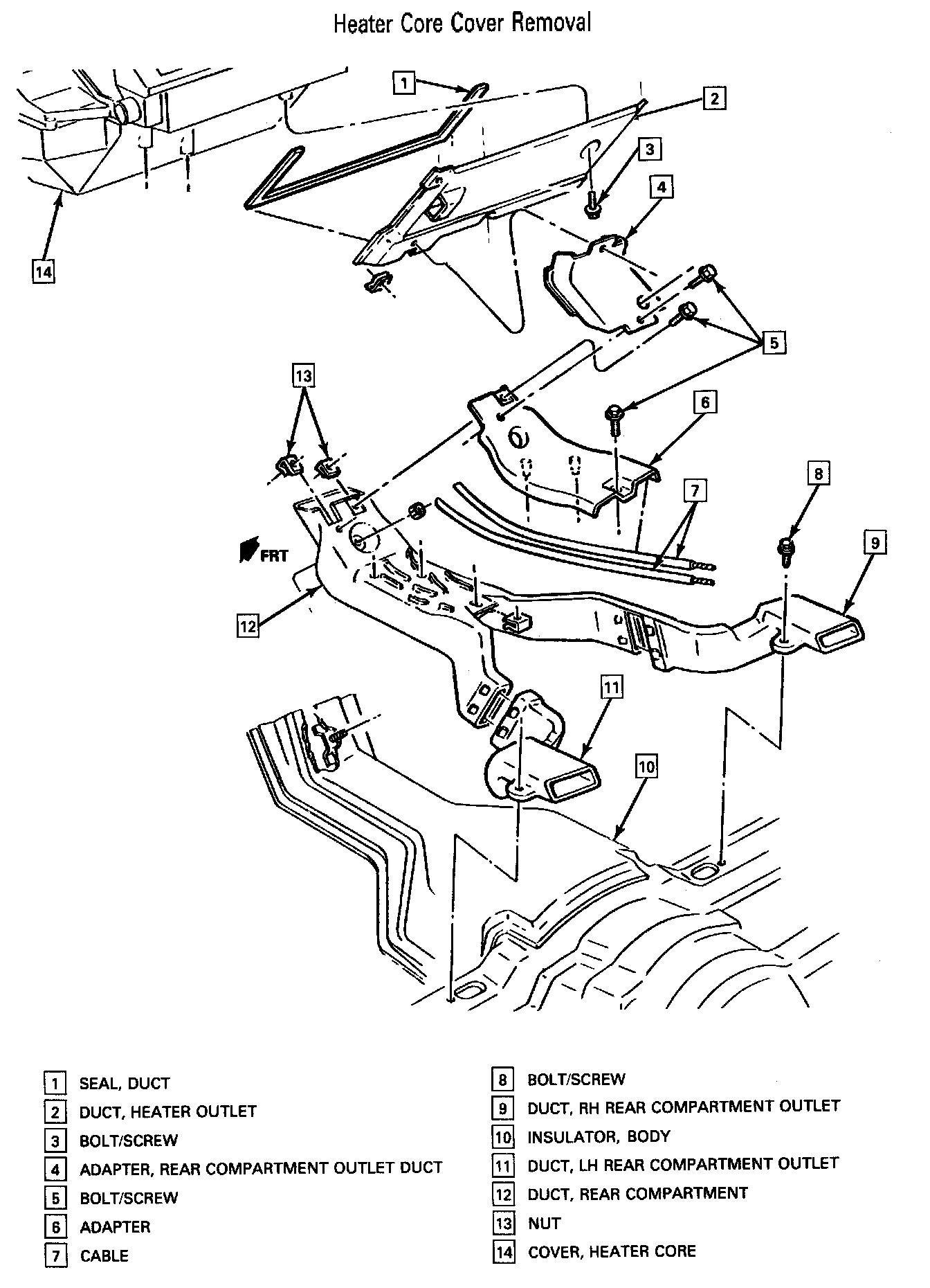
HEATER CORE COVER






REMOVE OR DISCONNECT
1. Lower right Instrument Panel (I/P) sound insulator panel.
2. Rear seat duct adapter.
3. Lower heater duct.
4. Lower left I/P sound insulator panel.
5. Core cover screws.
6. Core cover.

INSTALL OR CONNECT
1. Core cover.
2. Core cover screws.
3. Lower left I/P sound insulator panel.
4. Lower heater duct.
5. Rear seat duct adapter.
6. Lower right I/P sound insulator panel.