Curiosii for ever!
: Car repair manuals for everyone.
Home
>>
Buick
>>
1992
>>
Park Avenue Ultra V6-3.8L SC VIN 1
>>
Repair and Diagnosis
>>
Powertrain Management
>>
Relays and Modules - Powertrain Management
>>
Relays and Modules - Computers and Control Systems
>>
Engine Control Module
>>
Locations
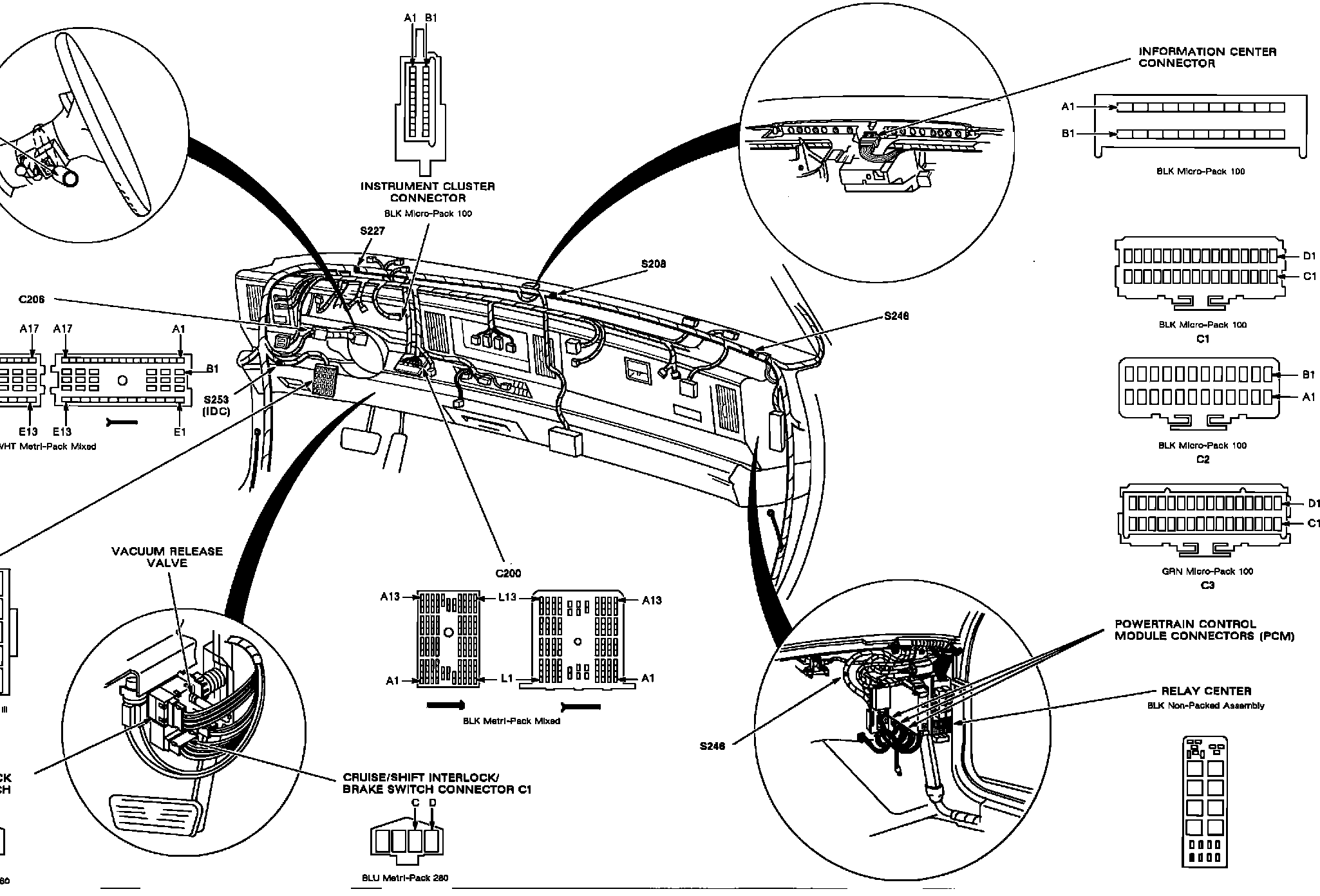
Engine Control Module: Locations
=��Cruise Control System Component Locator: