Curiosii for ever!
: Car repair manuals for everyone.
Home
>>
Buick
>>
1992
>>
LeSabre V6-231 3.8L VIN L SFI
>>
Repair and Diagnosis
>>
Relays and Modules
>>
Relays and Modules - Windows and Glass
>>
Heated Glass Control Module
>>
Locations
>>
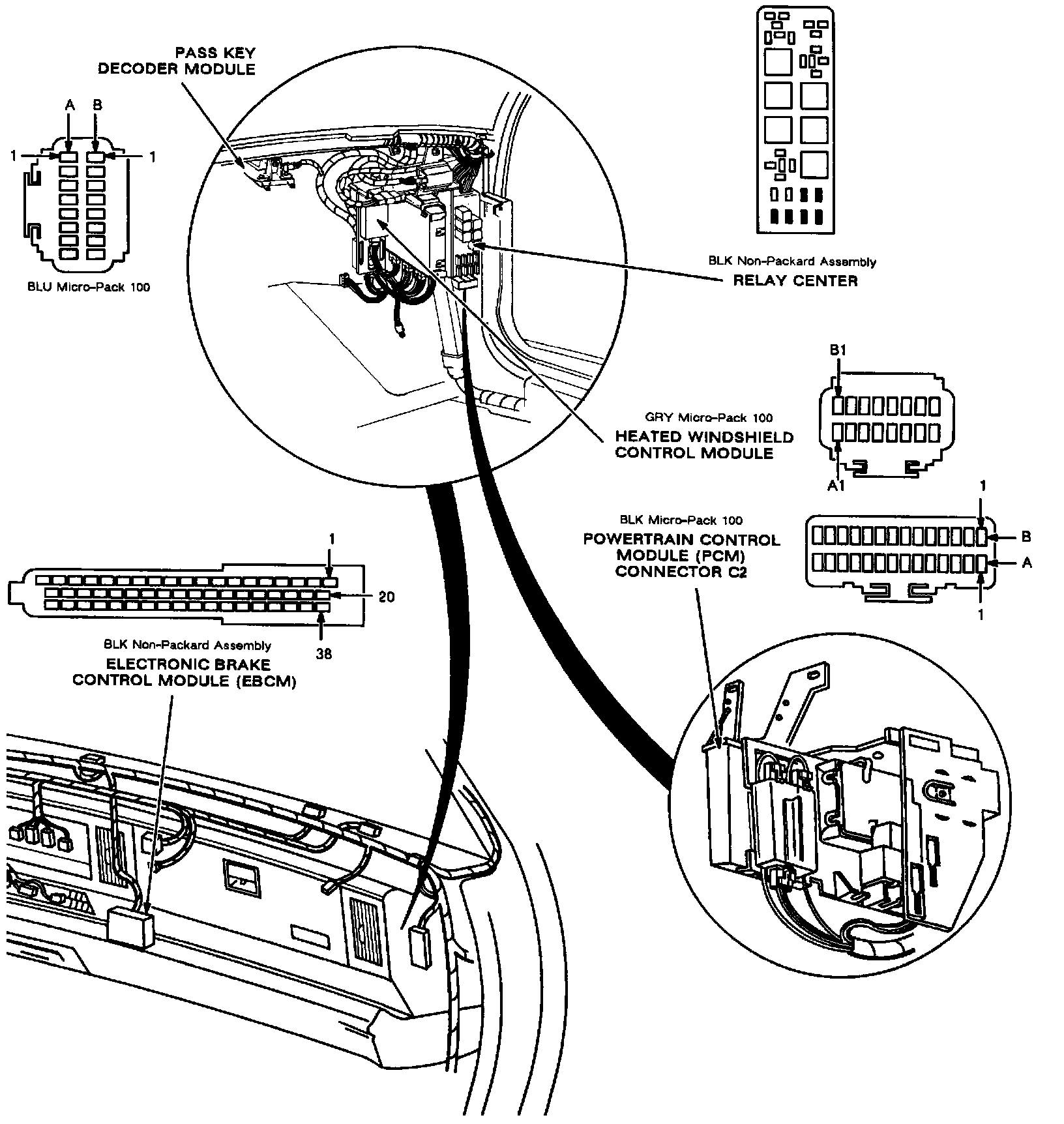
Heated Windshield Control Module
Heated Windshield Control Module