Curiosii for ever!
: Car repair manuals for everyone.
Home
>>
Buick
>>
1992
>>
LeSabre V6-231 3.8L VIN L SFI
>>
Repair and Diagnosis
>>
Powertrain Management
>>
Ignition System
>>
Relays and Modules - Ignition System
>>
Ignition Control Module
>>
Diagrams
>>
Diagnostic Aids
>>
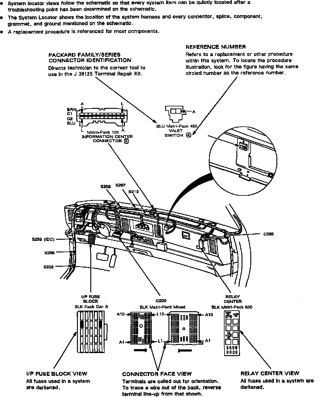
Using Component Location Views
Using Component Location Views
How To Use Component Location Views: